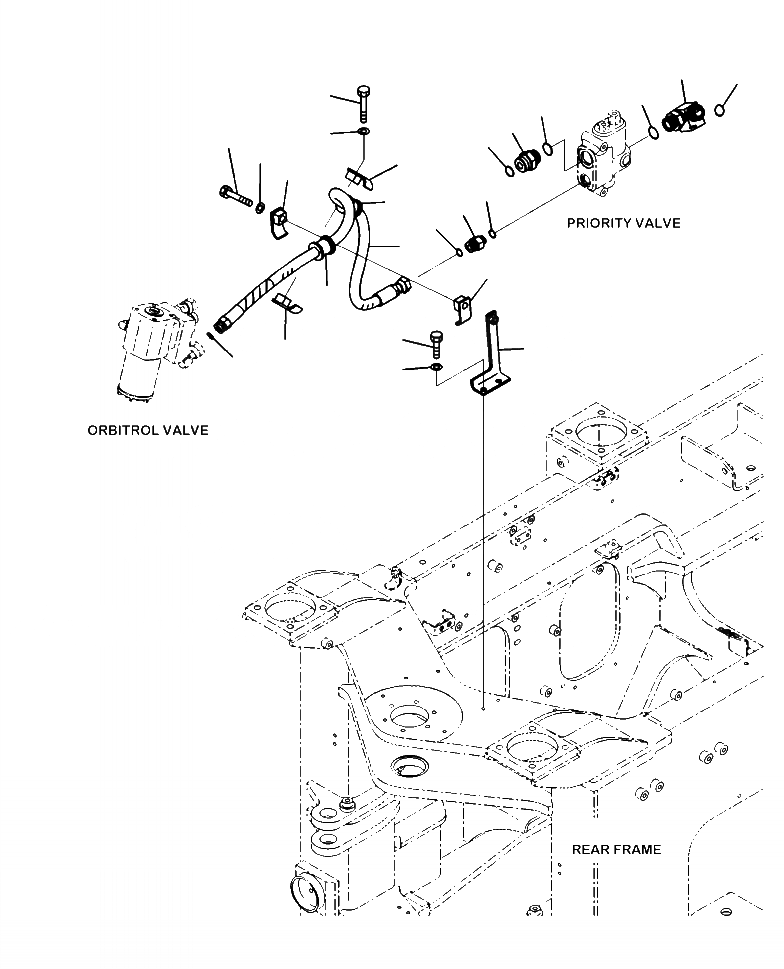
Запчасти Komatsu WA320-6 H-A ГИДРОЛИНИЯ ПРИОРИТЕТН. КЛАПАН - ORBITROL КЛАПАН РУЛЕВОГО УПРАВЛЕНИЯ ГИДРАВЛИКА

Схема запчастей Komatsu WA320-6 - H-A ГИДРОЛИНИЯ ПРИОРИТЕТН. КЛАПАН - ORBITROL КЛАПАН РУЛЕВОГО УПРАВЛЕНИЯ ГИДРАВЛИКА
14
16
15
10
6
10
11
12
13
10
13
12
10
11
5
9
7
8
4
1
2
2
3
4
FIT
1:1
100%

Артикул

Название

Примечание

Количество

1

418-62-32172

NIPPLE

SN: A35001--UP

1шт.

2

418-62-11630

O-RING

SN: A35001--UP

2шт.

3

419-62-31153

ELBOW

SN: A35001--UP

1шт.

4

11Y-62-11980

O-RING

SN: A35001--UP

2шт.

5

419-62-43650

HOSE, 1660 MM

SN: A35001--UP

1шт.

6

02896-11015

O-RING

SN: A35001--UP

1шт.

7

418-62-31430

NIPPLE

SN: A35001--UP

1шт.

8

418-62-11620

O-RING

SN: A35001--UP

1шт.

9

02896-11015

O-RING

SN: A35001--UP

1шт.

10

07094-10518

CLAMP

SN: A35001--UP

4шт.

11

07095-00523

CUSHION

SN: A35001--UP

2шт.

12

01010-81270

BOLT

SN: A35001--UP

2шт.

13

01643-31232

WASHER

SN: A35001--UP

2шт.

14

419-62-41170

BRACKET

SN: A35001--UP

1шт.

15

01010-81025

BOLT

SN: A35001--UP

2шт.

16

01643-31032

WASHER

SN: A35001--UP

2шт.

Выбрано товаров: 16