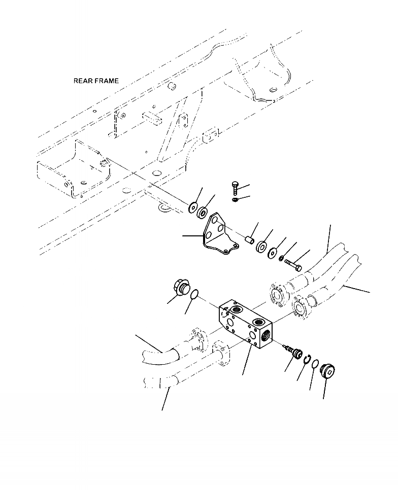
Запчасти Komatsu WA320-6 H-8A ГИДРОЛИНИЯ BY-PASS КЛАПАН ГИДРАВЛИКА

Схема запчастей Komatsu WA320-6 - H-8A ГИДРОЛИНИЯ BY-PASS КЛАПАН ГИДРАВЛИКА
18
1
11
12
14
13
16
15
17
2
7
9
3
4
10
8
7
6
5
20
19
FIT
1:1
100%

Артикул

Название

Примечание

Количество

1

419-62-48141

BLOCK

SN: A35001--UP

1шт.

2

419-62-48131

BRACKET

SN: A35001--UP

1шт.

3

01010-81025

BOLT

SN: A35001--UP

2шт.

4

01643-31032

WASHER

SN: A35001--UP

2шт.

5

01010-81050

BOLT

SN: A35001--UP

3шт.

6

01643-31032

WASHER

SN: A35001--UP

3шт.

7

415-64-13120

WASHER

SN: A35001--UP

6шт.

8

419-43-17930

CUSHION

SN: A35001--UP

3шт.

9

415-64-13130

CUSHION

SN: A35001--UP

3шт.

10

417-62-14130

SPACER

SN: A35001--UP

3шт.

11

419-62-34380

VALVE ASSEMBLY

SN: A35001--UP

1шт.

12

04065-03212

RING, SNAP

SN: A35001--UP

2шт.

13

07040-13316

PLUG

SN: A35001--UP

1шт.

14

07002-13334

O-RING

SN: A35001--UP

1шт.

15

07041-13612

PLUG

SN: A35001--UP

1шт.

16

07002-13634

O-RING

SN: A35001--UP

1шт.

17

HOSE, 1720 MM ( SEE FIG. H4200-03A0 )

SN: A35001--UP

-1шт.

18

TUBE ( SEE FIG. H4200-03A0 )

SN: A35001--UP

-1шт.

19

HOSE, 1090 MM ( SEE FIG. H4200-03A0 )

SN: A35001--UP

-1шт.

20

HOSE, 1850 MM ( SEE FIG. H4200-03A0 )

SN: A35001--UP

-1шт.

Выбрано товаров: 20