Запчасти Komatsu WA320-6 H-A ECSS КЛАПАН КРЕПЛЕНИЕ ГИДРАВЛИКА

Схема запчастей Komatsu WA320-6 - H-A ECSS КЛАПАН КРЕПЛЕНИЕ ГИДРАВЛИКА
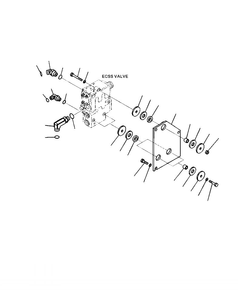
19
21
20
5
6
16
17
18
7
8
9
1
10
8
13
7
15
4
14
7
8
9
11
10
12
8
7
3
2
FIT
1:1
100%

Артикул

Название

Примечание

Количество

1

424-S99-3110

BRACKET

SN: A35001--UP

1шт.

2

01010-81250

BOLT

SN: A35001--UP

2шт.

3

01643-31232

WASHER

SN: A35001--UP

2шт.

4

01580-11210

NUT

SN: A35001--UP

1шт.

5

01010-81275

BOLT

SN: A35001--UP

1шт.

6

01643-31232

WASHER

SN: A35001--UP

1шт.

7

418-54-13220

WASHER

SN: A35001--UP

6шт.

8

418-54-13151

CUSHION

SN: A35001--UP

6шт.

9

418-54-13161

CUSHION

SN: A35001--UP

3шт.

10

428-64-15110

COLLAR

SN: A35001--UP

3шт.

11

01010-81230

BOLT

SN: A35001--UP

3шт.

12

01643-31232

WASHER

SN: A35001--UP

3шт.

13

02782-10630

ELBOW

SN: A35001--UP

1шт.

14

02896-11018

O-RING

SN: A35001--UP

1шт.

15

07002-12434

O-RING

SN: A35001--UP

1шт.

16

02782-10422

ELBOW

SN: A35001--UP

1шт.

17

07002-12034

O-RING

SN: A35001--UP

1шт.

18

02896-11012

O-RING

SN: A35001--UP

1шт.

19

02783-10522

ELBOW

SN: A35001--UP

1шт.

20

07002-12434

O-RING

SN: A35001--UP

1шт.

21

02896-11015

O-RING

SN: A35001--UP

1шт.

Выбрано товаров: 21