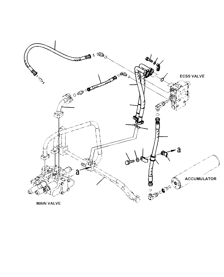
Запчасти Komatsu WA320-6 H-A ГИДРОЛИНИЯ ECSS ТРУБЫ (4-Х СЕКЦИОНН. КЛАПАН) ГИДРАВЛИКА

Схема запчастей Komatsu WA320-6 - H-A ГИДРОЛИНИЯ ECSS ТРУБЫ (4-Х СЕКЦИОНН. КЛАПАН) ГИДРАВЛИКА
8
5
6
3
4
7
1
2
14
4
4
9
10
13
12
10
11
15
FIT
1:1
100%

Артикул

Название

Примечание

Количество

1

419-62-44440

HOSE, 610 MM

SN: A35001--UP

1шт.

2

419-62-33631

HOSE, 630 MM

SN: A35001--UP

1шт.

3

07371-31049

FLANGE

SN: A35001--UP

8шт.

4

07000-13032

O-RING

SN: A35001--UP

4шт.

5

07372-21035

BOLT

SN: A35001--UP

16шт.

6

01643-51032

WASHER

SN: A35001--UP

16шт.

7

419-62-34440

HOSE, 335 MM

SN: A35001--UP

1шт.

8

419-62-43590

HOSE, 700 MM

SN: A35001--UP

1шт.

9

02753-00608

HOSE

SN: A35001--UP

1шт.

10

07094-10620

CLAMP

SN: A35001--UP

2шт.

11

07095-00630

CUSHION

SN: A35001--UP

1шт.

12

01010-81065

BOLT

SN: A35001--UP

1шт.

13

01643-31032

WASHER

SN: A35001--UP

1шт.

14

TUBE (SEE FIG. H4200-02A0)

SN: A35001--UP

-1шт.

15

TUBE (SEE FIG. H4200-07A0 )

SN: A35001--UP

-1шт.

Выбрано товаров: 15