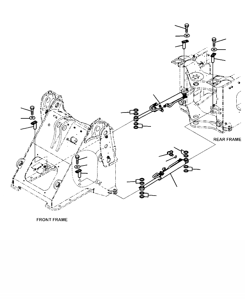
Запчасти Komatsu WA320-6 J-A ЦИЛИНДР РУЛЕВ. УПР-Я КРЕПЛЕНИЕ ОСНОВНАЯ РАМА И ЕЕ ЧАСТИ

Схема запчастей Komatsu WA320-6 - J-A ЦИЛИНДР РУЛЕВ. УПР-Я КРЕПЛЕНИЕ ОСНОВНАЯ РАМА И ЕЕ ЧАСТИ
3
3
7
3
3
1
8
6
5
4
3
3
6
5
4
1
2
5
4
4
5
2
FIT
1:1
100%

Артикул

Название

Примечание

Количество

1

CYLINDER ( SEE FIG. J4140-02A0 )

SN: A35001--UP

-1шт.

2

419-46-12260

PIN

SN: A35001--UP

2шт.

3

419-46-12280

SHIM, 1.0 MM

SN: A35001--UP

18шт.

|$3

419-46-12290

SHIM, 0.5 MM

SN: A35001--UP

10шт.

4

01010-81220

BOLT

SN: A35001--UP

4шт.

5

175-54-34170

WASHER

SN: A35001--UP

4шт.

6

419-46-32260

PIN

SN: A35001--UP

2шт.

7

799-101-5220

NIPPLE

SN: A35001--UP

1шт.

8

07002-11023

O-RING

SN: A35001--UP

1шт.

Выбрано товаров: 9