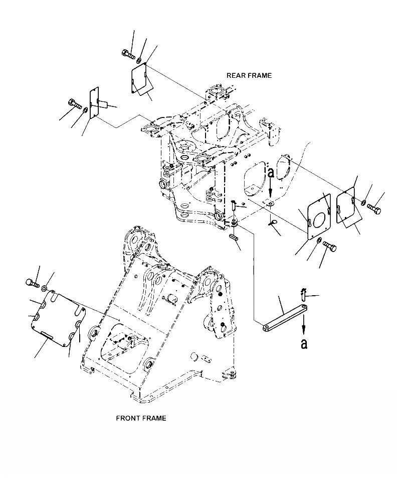
Запчасти Komatsu WA320-6 J9-A БЛОКИР. BAR И КРЫШКАДЛЯ JRB COUPLER ОСНОВНАЯ РАМА И ЕЕ ЧАСТИ

Схема запчастей Komatsu WA320-6 - J9-A БЛОКИР. BAR И КРЫШКАДЛЯ JRB COUPLER ОСНОВНАЯ РАМА И ЕЕ ЧАСТИ
7
7
6
7
7
8
9
1
4
11
12
10
5
3
22
22
22
13
15
14
2
22
19
21
20
22
16
18
17
FIT
1:1
100%

Артикул

Название

Примечание

Количество

1

421-46-12920

BAR, LOCK

SN: A35001--UP

1шт.

2

421-46-12721

PIN

SN: A35001--UP

1шт.

3

04025-01065

PIN, SPRING

SN: A35001--UP

1шт.

4

421-46-12731

PIN

SN: A35001--UP

1шт.

5

421-46-12740

PIN, LINCH

SN: A35001--UP

1шт.

6

419-879-3210

COVER, FRONT

SN: A35001--UP

1шт.

7

421-09-21420

SHEET, BONDED

SN: A35001--UP

4шт.

8

01010-81230

BOLT

SN: A35001--UP

4шт.

9

01643-31232

WASHER

SN: A35001--UP

4шт.

10

419-46-44411

COVER, L.H.

SN: A35001--UP

1шт.

11

01010-81225

BOLT

SN: A35001--UP

3шт.

12

01643-31232

WASHER

SN: A35001--UP

3шт.

13

418-46-34421

COVER

SN: A35001--UP

1шт.

14

01010-81225

BOLT

SN: A35001--UP

2шт.

15

01643-31232

WASHER

SN: A35001--UP

2шт.

16

419-46-34421

COVER, R.H.

SN: A35001--UP

1шт.

17

01010-81225

BOLT

SN: A35001--UP

2шт.

18

01643-31232

WASHER

SN: A35001--UP

2шт.

19

419-46-34431

COVER, R.H.

SN: A35001--UP

1шт.

20

01010-81225

BOLT

SN: A35001--UP

2шт.

21

01643-31232

WASHER

SN: A35001--UP

2шт.

22

421-09-21420

SHEET, ADHESIVE RUBBER

SN: A35001--UP

7шт.

Выбрано товаров: 22