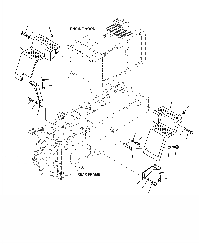
Запчасти Komatsu WA320-6 M-A ЗАДН. КРЫЛОS СТАНДАРТН. ЧАСТИ КОРПУСА

Схема запчастей Komatsu WA320-6 - M-A ЗАДН. КРЫЛОS СТАНДАРТН. ЧАСТИ КОРПУСА
12
13
11
14
18
17
16
15
5
4
2
3
22
1
22
8
7
6
10
9
19
21
20
FIT
1:1
100%

Артикул

Название

Примечание

Количество

1

419-54-41210

FENDER, L.H.

SN: A35001--UP

1шт.

2

01010-81225

BOLT

SN: A35001--UP

2шт.

3

01643-31232

WASHER

SN: A35001--UP

2шт.

4

01010-81230

BOLT

SN: A35001--UP

2шт.

5

01643-31232

WASHER

SN: A35001--UP

2шт.

6

419-54-41220

FENDER, R.H.

SN: A35001--UP

1шт.

7

01010-81225

BOLT

SN: A35001--UP

2шт.

8

01643-31232

WASHER

SN: A35001--UP

2шт.

9

01010-81230

BOLT

SN: A35001--UP

2шт.

10

01643-31232

WASHER

SN: A35001--UP

2шт.

11

419-54-48732

BRACKET, L.H.

SN: A35001--UP

1шт.

12

01010-81230

BOLT

SN: A35001--UP

2шт.

13

01643-31232

WASHER

SN: A35001--UP

2шт.

14

419-54-42180

BRACKET

SN: A35001--UP

1шт.

15

01010-81020

BOLT

SN: A35001--UP

2шт.

16

01643-31032

WASHER

SN: A35001--UP

2шт.

17

01010-81225

BOLT

SN: A35001--UP

2шт.

18

01643-31232

WASHER

SN: A35001--UP

2шт.

19

419-54-48772

BRACKET, R.H.

SN: A35001--UP

1шт.

20

01010-81230

BOLT

SN: A35001--UP

2шт.

21

01643-31232

WASHER

SN: A35001--UP

2шт.

22

22L-46-12150

CAP

SN: A35001--UP

4шт.

Выбрано товаров: 22