Запчасти Komatsu WA320-6 M-A MIRRORS И HANDRAILS ДЛЯ КАБИНА ROPS ЧАСТИ КОРПУСА

Схема запчастей Komatsu WA320-6 - M-A MIRRORS И HANDRAILS ДЛЯ КАБИНА ROPS ЧАСТИ КОРПУСА
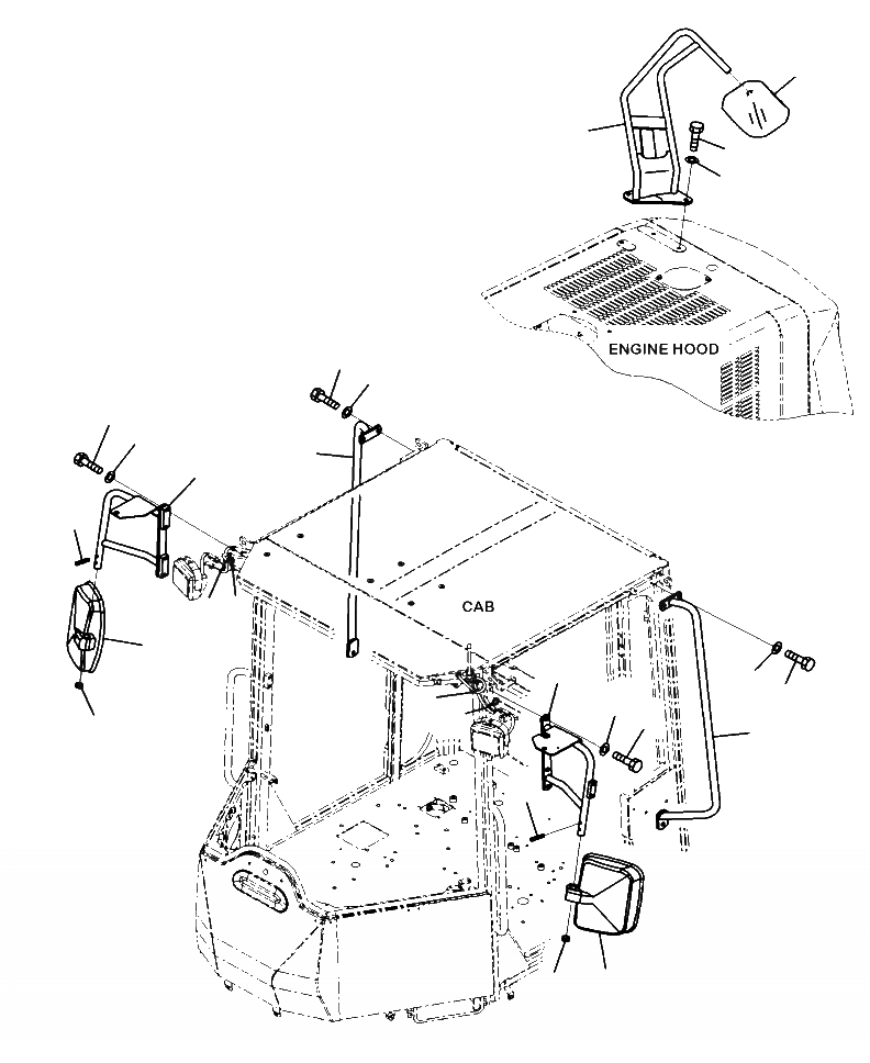
10
3
11
1
5
4
12
13
6
8
9
17
16
15
14
9
8
7
2
5
4
11
3
10
13
12
FIT
1:1
100%

Артикул

Название

Примечание

Количество

1

418-54-44850

STAY, L.H.

SN: A35001--UP

1шт.

2

418-54-44860

STAY, R.H.

SN: A35001--UP

1шт.

3

22M-54-26180

CAP

SN: A35001--UP

2шт.

4

01010-D1025

BOLT

SN: A35001--UP

8шт.

5

01643-71032

WASHER

SN: A35001--UP

8шт.

6

418-926-4930

HANDRAIL, L.H.

SN: A35001--UP

1шт.

7

418-926-4940

HANDRAIL, R.H.

SN: A35001--UP

1шт.

8

01010-D1025

BOLT

SN: A35001--UP

6шт.

9

01643-71032

WASHER

SN: A35001--UP

6шт.

10

421-54-25610

MIRROR

SN: A35001--UP

2шт.

11

04025-00632

PIN, SPRING

SN: A35001--UP

2шт.

12

935 522 C1

STRAP, TIE

SN: A35001--UP

2шт.

13

935 522 C1

STRAP, TIE

SN: A35001--UP

3шт.

14

419-976-4111

STAY

SN: A35001--UP

1шт.

15

423-976-4230

MIRROR

SN: A35001--UP

1шт.

16

01010-81230

BOLT

SN: A35001--UP

3шт.

17

01643-31232

WASHER

SN: A35001--UP

3шт.

Выбрано товаров: 0