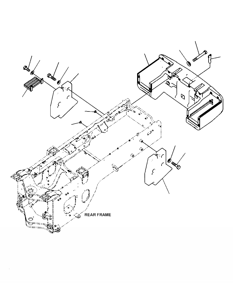
Запчасти Komatsu WA320-6 M-A ПРОТИВОВЕСS ЧАСТИ КОРПУСА

Схема запчастей Komatsu WA320-6 - M-A ПРОТИВОВЕСS ЧАСТИ КОРПУСА
6
7
5
10
8
11
2
3
1
9
4
4
3
2
1
FIT
1:1
100%

Артикул

Название

Примечание

Количество

1

419-975-4110

WEIGHT, ADDITIONAL

SN: A35001--UP

2шт.

2

01010-62090

BOLT

SN: A35001--UP

6шт.

3

01643-32060

WASHER

SN: A35001--UP

6шт.

4

21X-54-32350

CAP

SN: A35001--UP

2шт.

5

419-46-45210

COUNTERWEIGHT

SN: A35001--UP

1шт.

6

01011-62480

BOLT

SN: A35001--UP

4шт.

7

01643-32460

WASHER

SN: A35001--UP

4шт.

8

418-46-35140

PIN, TOW

SN: A35001--UP

1шт.

9

418-04-31181

STEP

SN: A35001--UP

1шт.

9

419-04-48250

STEP

SN: A35001--UP

1шт.

10

01010-81235

BOLT

SN: A35001--UP

2шт.

11

01643-31232

WASHER

SN: A35001--UP

2шт.

|$12

12

-1шт.

|$13

F2 - USED ON MACHINES WITHOUT ADDITIONAL COUNTERWEIGHTS.

13

-1шт.

Выбрано товаров: 0