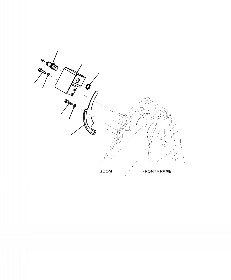
Запчасти Komatsu WA320-6 T-A КОНЦЕВ. ВЫКЛЮЧ-ЛЬ ПОДЪЕМА СТРЕЛЫ РАБОЧЕЕ ОБОРУДОВАНИЕ

Схема запчастей Komatsu WA320-6 - T-A КОНЦЕВ. ВЫКЛЮЧ-ЛЬ ПОДЪЕМА СТРЕЛЫ РАБОЧЕЕ ОБОРУДОВАНИЕ
1
3
2
6
5
7
4
7
FIT
1:1
100%

Артикул

Название

Примечание

Количество

1

419-43-39111

PLATE

SN: A35001--UP

1шт.

2

01010-81225

BOLT

SN: A35001--UP

2шт.

3

01643-31232

WASHER

SN: A35001--UP

2шт.

4

419-43-39123

BRACKET

SN: A35001--UP

1шт.

5

01010-81225

BOLT

SN: A35001--UP

2шт.

6

01643-31232

WASHER

SN: A35001--UP

2шт.

7

56B-06-15610

SWITCH, PROXIMITY

SN: A35001--UP

1шт.

Выбрано товаров: 7