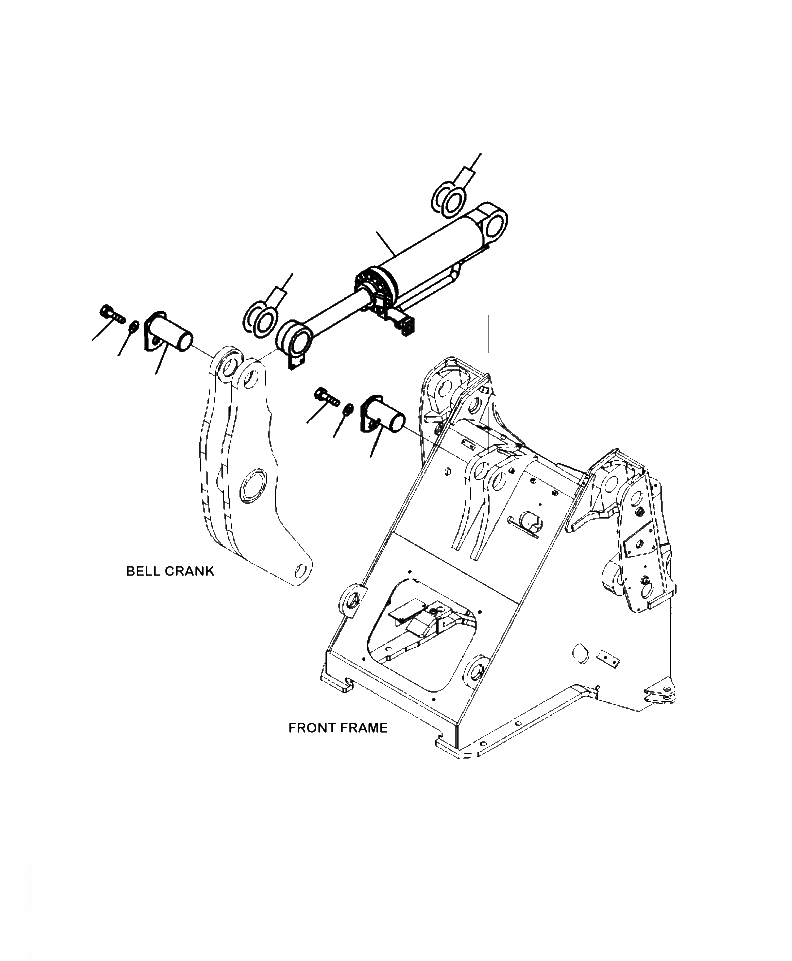
Запчасти Komatsu WA320-6 T-A ЦИЛИНДР КОВША КРЕПЛЕНИЕ РАБОЧЕЕ ОБОРУДОВАНИЕ

Схема запчастей Komatsu WA320-6 - T-A ЦИЛИНДР КОВША КРЕПЛЕНИЕ РАБОЧЕЕ ОБОРУДОВАНИЕ
2
1
9
7
8
6
3
4
5
FIT
1:1
100%

Артикул

Название

Примечание

Количество

1

BUCKET CYLINDER (SEE FIG. T4150-02A0)

SN: A35001--UP

-1шт.

2

423-70-11781

SHIM, 1.5 MM

SN: A35001--UP

1шт.

|$2

423-70-11881

SHIM, 3.0 MM

SN: A35001--UP

1шт.

|$3

423-70-41960

SHIM, 1.0 MM

SN: A35001--UP

1шт.

3

01010-81625

BOLT

SN: A35001--UP

1шт.

4

421-70-11280

WASHER

SN: A35001--UP

1шт.

5

419-70-11950

PIN

SN: A35001--UP

1шт.

6

419-70-11941

PIN

SN: A35001--UP

1шт.

7

01010-81625

BOLT

SN: A35001--UP

1шт.

8

421-70-11280

WASHER

SN: A35001--UP

1шт.

9

423-70-11781

SHIM, 1.5 MM

SN: A35001--UP

1шт.

|$11

423-70-11881

SHIM, 3.0 MM

SN: A35001--UP

1шт.

|$12

423-70-41960

SHIM, 1.0 MM

SN: A35001--UP

1шт.

Выбрано товаров: 13