Запчасти Komatsu WA320-6 ГИДРОЛИНИЯ, БЕЗ.БЫСТРОСЪЕМН. МЕХ-М, ГИДРОЦИЛИНДР КОВША ТРУБЫ ГИДРОЛИНИЯ, БЕЗ.БЫСТРОСЪЕМН. МЕХ-М

Схема запчастей Komatsu WA320-6 - ГИДРОЛИНИЯ, БЕЗ.БЫСТРОСЪЕМН. МЕХ-М, ГИДРОЦИЛИНДР КОВША ТРУБЫ ГИДРОЛИНИЯ, БЕЗ.БЫСТРОСЪЕМН. МЕХ-М
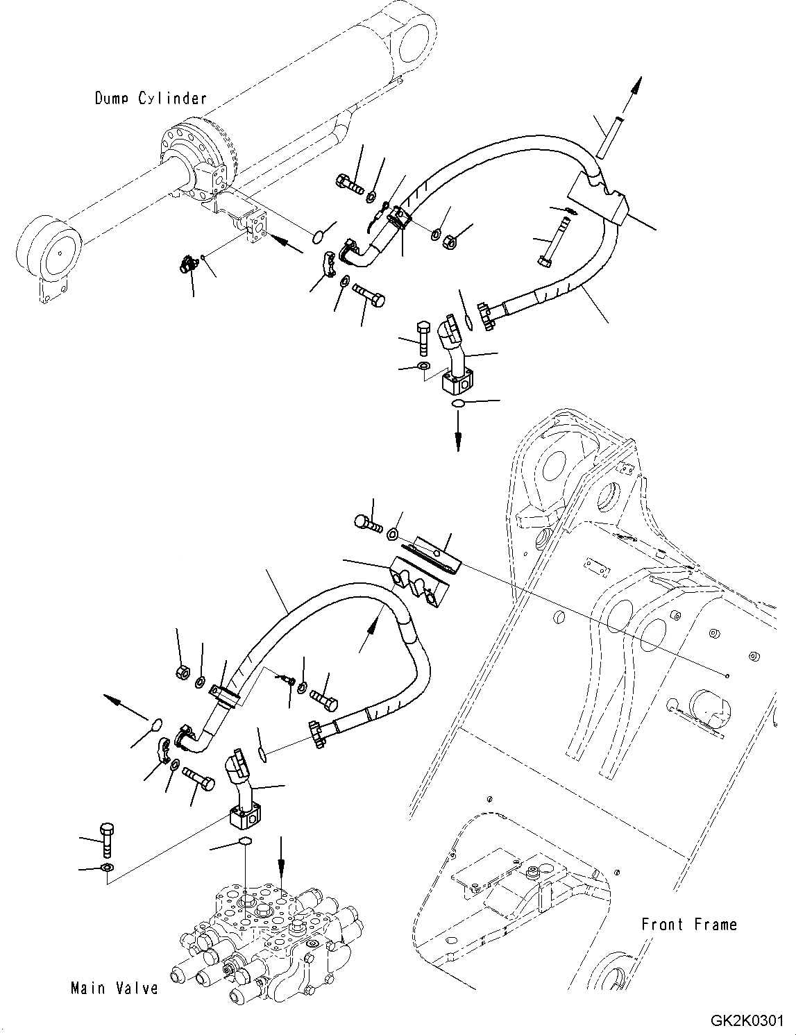
21
22
12
14
13
5
4
16
11
2
3
1
23
25
17
18
15
19
20
26
27
11
28
29
24
23
6
20
19
16
18
17
15
7
7
8
10
9
2
3
4
5
a
a
b
b
c
c
FIT
1:1
100%

Артикул

Название

Примечание

Количество

1

419-62-33584

Hose

SN: H62051-UP

1шт.

2

419-879-H111

Tube

SN: H62051-UP

2шт.

3

07000-13035

O-Ring

SN: H62051-UP

2шт.

4

07372-21055

Bolt

SN: H62051-UP

8шт.

5

01643-51032

Washer

SN: H62051-UP

8шт.

6

419-62-33492

Hose

SN: H62051-UP

1шт.

7

07000-13032

O-Ring

SN: H62051-UP

2шт.

8

07371-31049

Flange, Split

SN: H62051-UP

4шт.

9

07372-21035

Bolt

SN: H62051-UP

8шт.

10

01643-51032

Washer

SN: H62051-UP

8шт.

11

07000-13032

O-Ring

SN: H62051-UP

2шт.

12

07371-31049

Flange, Split

SN: H62051-UP

4шт.

13

07372-21035

Bolt

SN: H62051-UP

8шт.

14

01643-51032

Washer

SN: H62051-UP

8шт.

15

419-62-13460

Wire

SN: H62051-UP

1шт.

16

113-899-7950

Clip

SN: H62051-UP

2шт.

17

01010-81230

Bolt

SN: H62051-UP

2шт.

18

01643-31232

Washer

SN: H62051-UP

2шт.

19

01643-31232

Washer

SN: H62051-UP

2шт.

20

01580-11210

Nut

SN: H62051-UP

2шт.

21

799-101-5220

Nipple

SN: H62051-UP

1шт.

22

07002-11023

O-Ring

SN: H62051-UP

1шт.

23

419-62-33553

Clamp

SN: H62051-UP

1шт.

24

419-62-33512

Bracket

SN: H62051-UP

1шт.

25

195-01-16261

Collar

SN: H62051-UP

2шт.

26

01011-81040

Bolt

SN: H62051-UP

2шт.

27

01643-31032

Washer

SN: H62051-UP

2шт.

28

01010-81020

Bolt

SN: H62051-UP

1шт.

29

01643-31032

Washer

SN: H62051-UP

1шт.

Выбрано товаров: 29