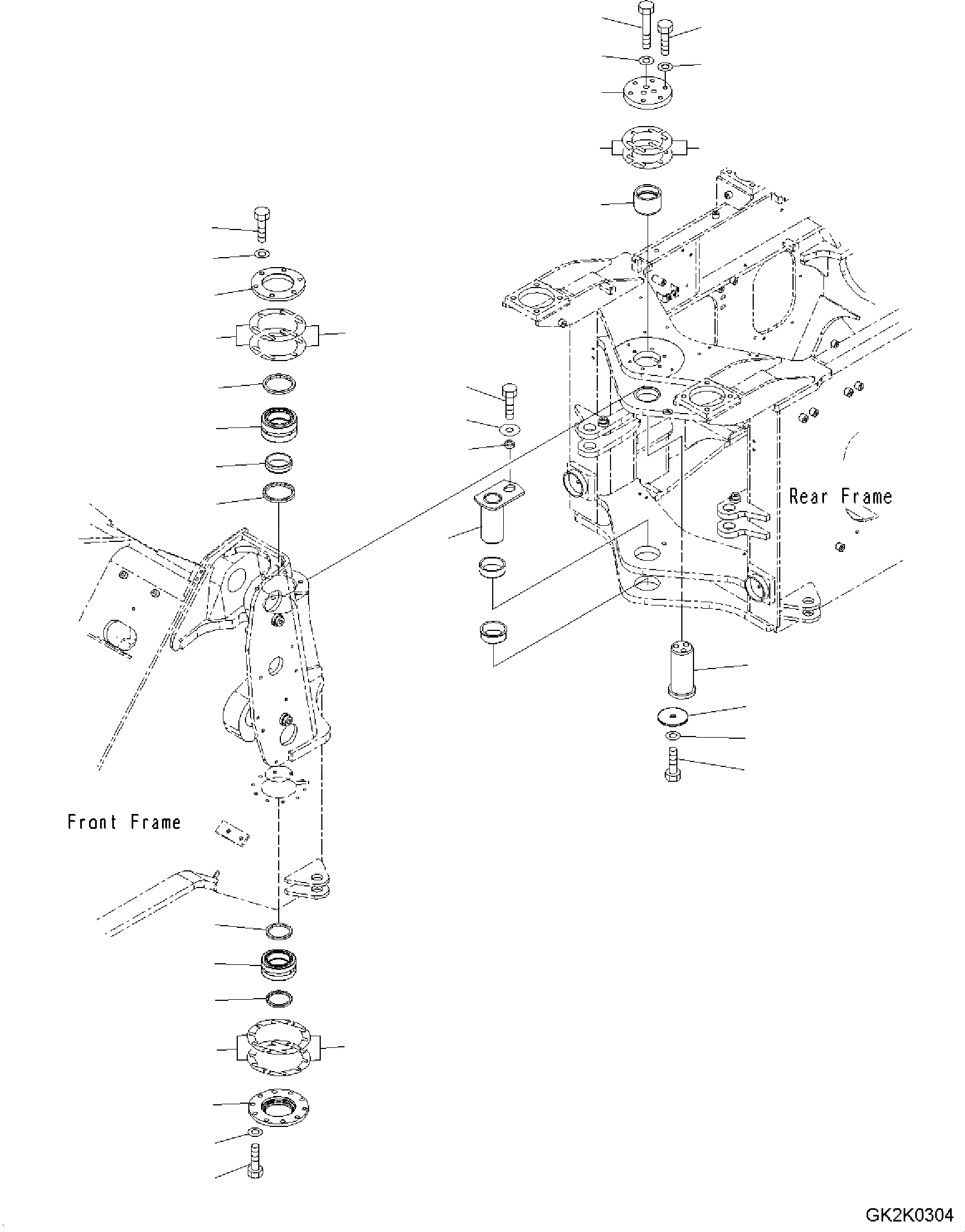
Запчасти Komatsu WA320-6 HINGE ПАЛЕЦ HINGE ПАЛЕЦ

Схема запчастей Komatsu WA320-6 - HINGE ПАЛЕЦ HINGE ПАЛЕЦ
21
17
21
19
18
20
16
6
9
10
8
11
11
23
7
24
13
25
15
7
22
14
26
28
27
5
12
5
2
2
1
4
3
FIT
1:1
100%

Артикул

Название

Примечание

Количество

1

419-46-11350

Retainer

SN: H62051-UP

1шт.

2

421-46-11381

Shim, T=0.5mm

SN: H62051-UP

-26шт.

2

421-46-11371

Shim, T=0.1mm

SN: H62051-UP

-26шт.

3

01010-81230

Bolt

SN: H62051-UP

10шт.

4

01643-31232

Washer

SN: H62051-UP

10шт.

5

419-09-11110

Seal, Dust

SN: H62051-UP

2шт.

6

419-46-11180

Spacer

SN: H62051-UP

1шт.

7

419-46-11230

Seal, Dust

SN: H62051-UP

2шт.

8

419-46-11200

Retainer

SN: H62051-UP

1шт.

9

01016-51235

Bolt

SN: H62051-UP

6шт.

10

01643-31232

Washer

SN: H62051-UP

6шт.

11

419-46-11250

Shim, T=0.1mm

SN: H62051-UP

-26шт.

11

419-46-11260

Shim, T=0.5mm

SN: H62051-UP

-26шт.

11

419-46-11270

Shim, T=1.0mm

SN: H62051-UP

-26шт.

12

419-46-11360

Bearing

SN: H62051-UP

1шт.

13

419-46-11281

Bearing

SN: H62051-UP

1шт.

14

419-46-23210

Shaft

SN: H62051-UP

1шт.

15

419-46-11170

Spacer

SN: H62051-UP

1шт.

16

419-46-33220

Cover

SN: H62051-UP

1шт.

17

01010-61695

Bolt

SN: H62051-UP

3шт.

18

01643-31645

Washer

SN: H62051-UP

3шт.

19

01010-81245

Bolt

SN: H62051-UP

6шт.

20

01643-31232

Washer

SN: H62051-UP

6шт.

21

419-46-11211

Shim, T=0.1mm

SN: H62051-UP

-26шт.

21

419-46-11221

Shim, T=0.5mm

SN: H62051-UP

-26шт.

22

419-46-41190

Pin

SN: H62051-UP

1шт.

23

01010-81640

Bolt

SN: H62051-UP

1шт.

24

421-70-11280

Washer

SN: H62051-UP

1шт.

25

419-46-11340

Bushing

SN: H62051-UP

1шт.

26

419-70-11340

Plate

SN: H62051-UP

1шт.

27

01010-81630

Bolt

SN: H62051-UP

1шт.

28

01643-31645

Washer

SN: H62051-UP

1шт.

Выбрано товаров: 32