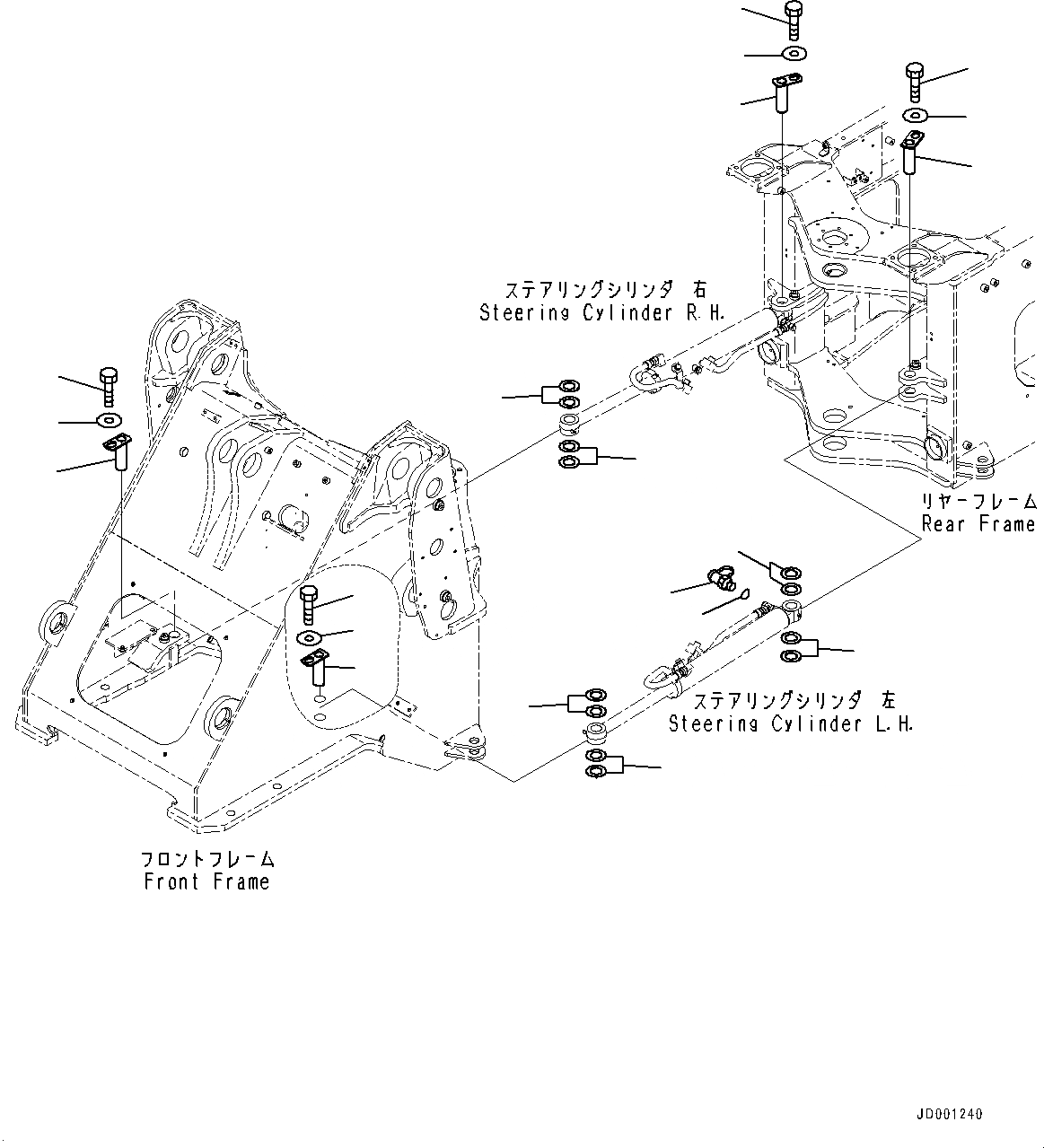
Запчасти Komatsu WA320-6 ЦИЛИНДР РУЛЕВ. УПР-Я, ЭЛЕМЕНТЫ КРЕПЛЕНИЯ ЦИЛИНДР РУЛЕВ. УПР-Я

Схема запчастей Komatsu WA320-6 - ЦИЛИНДР РУЛЕВ. УПР-Я, ЭЛЕМЕНТЫ КРЕПЛЕНИЯ ЦИЛИНДР РУЛЕВ. УПР-Я
2
2
2
2
2
2
4
3
4
3
1
5
4
3
5
4
3
1
7
6
FIT
1:1
100%

Артикул

Название

Примечание

Количество

1

419-46-32260

Pin

SN: H62051-UP

2шт.

2

419-46-12280

Shim, T=1.0mm

SN: H62051-UP

18шт.

2

419-46-12290

Shim, T=0.5mm

SN: H62051-UP

10шт.

3

01010-81220

Bolt

SN: H62051-UP

4шт.

4

175-54-34170

Washer

SN: H62051-UP

4шт.

5

419-46-32260

Pin

SN: H62051-UP

2шт.

6

799-101-5220

Nipple

SN: H62051-UP

1шт.

7

07002-11023

O-Ring

SN: H62051-UP

1шт.

Выбрано товаров: 8