Запчасти Komatsu WA320-6 CENTRAL СМАЗКА СИСТЕМА, ДЛЯ ВЫС.LIFT, ЗАДН. РАМА, ФИДЕР CENTRAL СМАЗКА СИСТЕМА, ДЛЯ ВЫС.LIFT

Схема запчастей Komatsu WA320-6 - CENTRAL СМАЗКА СИСТЕМА, ДЛЯ ВЫС.LIFT, ЗАДН. РАМА, ФИДЕР CENTRAL СМАЗКА СИСТЕМА, ДЛЯ ВЫС.LIFT
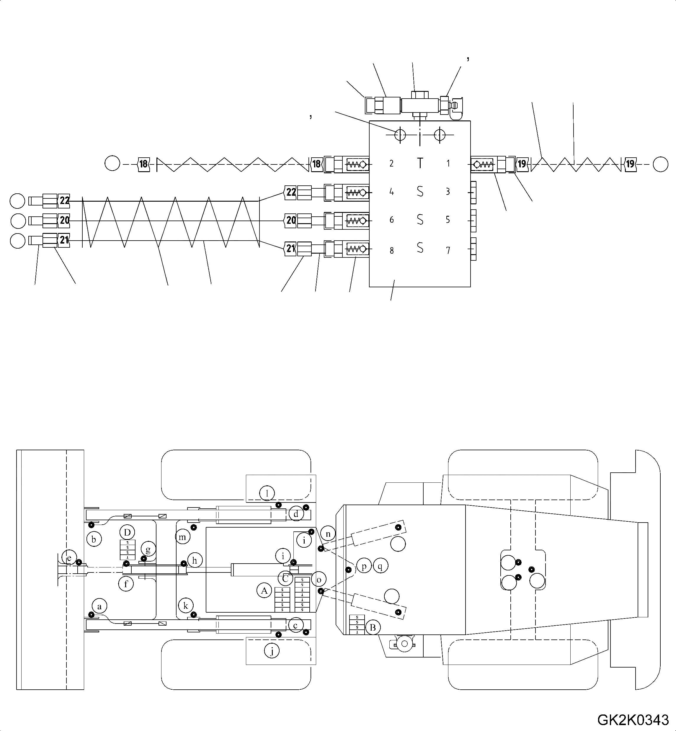
10
11
7
6
5
8
9
4
3
1
2
9
13
2
12
10
11
12
13
s
s
v
v
t
t
u
u
r
r
FIT
1:1
100%

Артикул

Название

Примечание

Количество

|$1

419-S95-H540

Feeder Assembly

SN: H62051-UP

1шт.

1

419-09-H2730

Progressive Feeder

SN: H62051-UP

1шт.

2

42W-09-H4650

Valve

SN: H62051-UP

5шт.

3

421-09-H4810

Bolt

SN: H62051-UP

2шт.

4

419-09-H2860

Screw Locking Device

SN: H62051-UP

2шт.

5

421-09-H4520

Union

SN: H62051-UP

1шт.

6

421-09-H3870

Lubrication Nipple

SN: H62051-UP

1шт.

7

42W-09-H3350

Cap

SN: H62051-UP

1шт.

8

419-09-H2780

Union

SN: H62051-UP

1шт.

9

42W-09-H2940

Safety Cap

SN: H62051-UP

6шт.

10

42W-09-H0P00

Hose, 5M

SN: H62051-UP

-26шт.

|$12

42W-09-H0P01

Hose, 10M

SN: H62051-UP

-26шт.

|$13

42W-09-H0P02

Hose, 25M

SN: H62051-UP

-26шт.

11

42W-09-H0P11

Hose Protector, 10M, 10mm

SN: H62051-UP

-26шт.

|$15

42W-09-H0P12

Hose Protector, 10M, 16mm

SN: H62051-UP

-26шт.

12

423-00-H1920

Bushing

SN: H62051-UP

4шт.

13

42T-09-H3810

Tube

SN: H62051-UP

6шт.

Выбрано товаров: 17