Запчасти Komatsu WA320-6 КРЕПЛЕНИЕ ОСН. КОНСТРУКЦИИING КРЕПЛЕНИЕ ОСН. КОНСТРУКЦИИING

Схема запчастей Komatsu WA320-6 - КРЕПЛЕНИЕ ОСН. КОНСТРУКЦИИING КРЕПЛЕНИЕ ОСН. КОНСТРУКЦИИING
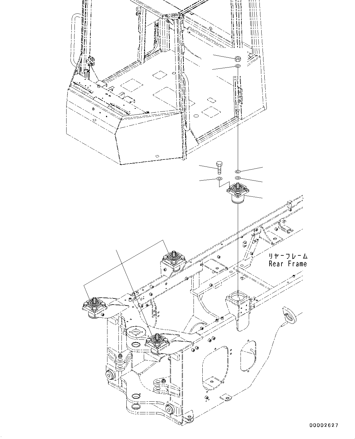
1
2
6
3
2
4
5
1
FIT
1:1
100%

Артикул

Название

Примечание

Количество

1

418-54-33110

Viscous Mount

SN: H62051-UP

4шт.

2

01643-32460

Washer

SN: H62051-UP

8шт.

3

42Y-00-H0520

Nut

SN: H62051-UP

4шт.

4

01010-81845

Bolt

SN: H62051-UP

16шт.

5

01643-31845

Washer

SN: H62051-UP

16шт.

6

561-40-41210

Shim, T=1.2mm

SN: H62051-UP

4шт.

Выбрано товаров: 6