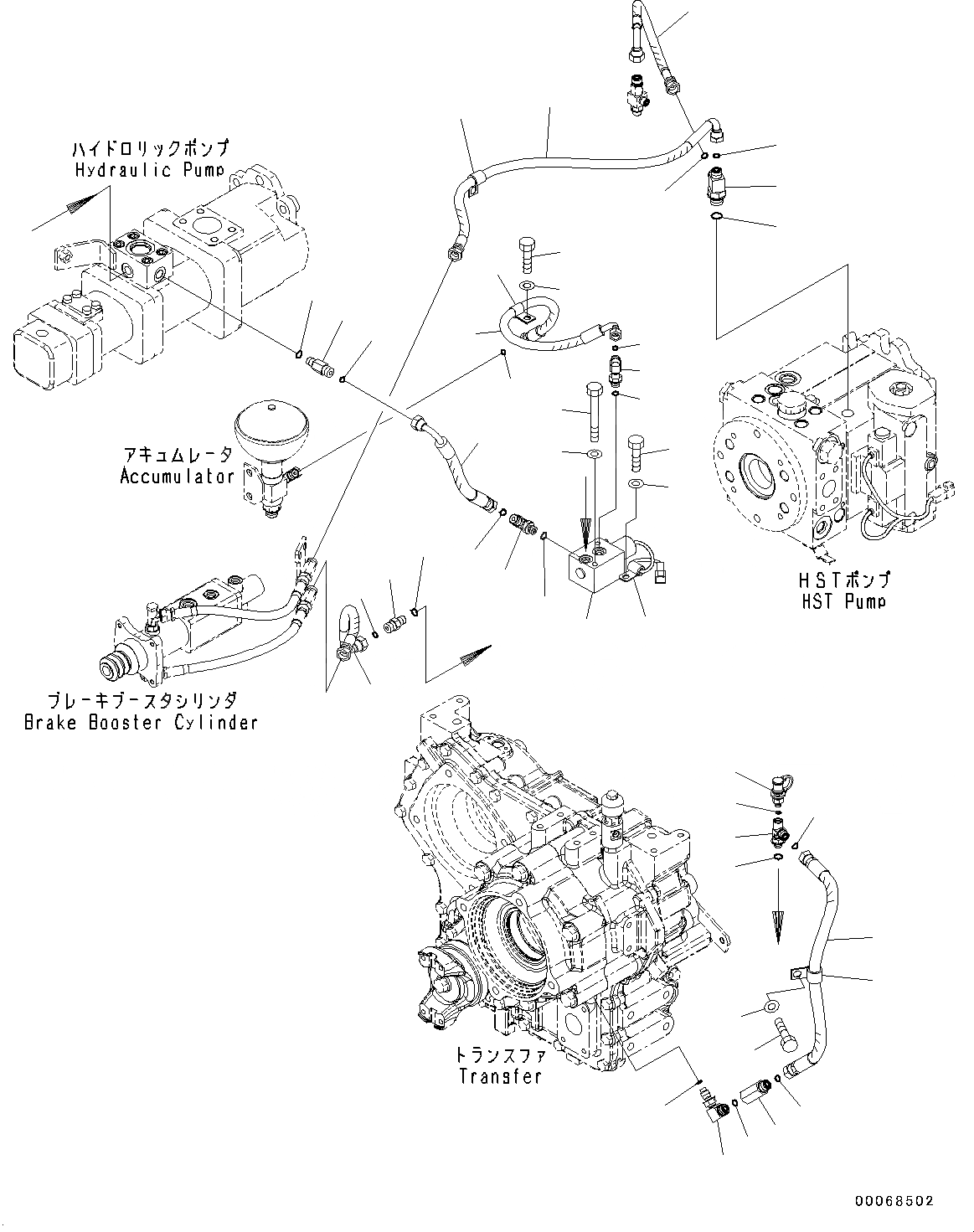
Запчасти Komatsu WA320-6 INCHING УПРАВЛ-Е INCHING УПРАВЛ-Е

Схема запчастей Komatsu WA320-6 - INCHING УПРАВЛ-Е INCHING УПРАВЛ-Е
23
22
40
39
38
37
36
35
34
33
32
31
30
29
28
27
26
21
19
18
17
16
15
13
12
11
6
3
2
1
16
28
17
25
24
22
23
20
14
10
9
8
7
5
4
16
b
b
a
a
FIT
1:1
100%

Артикул

Название

Примечание

Количество

1

417-18-31111

Valve Assembly, Solenoid

SN: H62051-UP

1шт.

2

01010-80870

Bolt

SN: H62051-UP

2шт.

3

01643-30823

Washer

SN: H62051-UP

2шт.

4

8296-62-2161

Elbow

SN: H62051-UP

1шт.

5

07002-11423

O-Ring

SN: H62051-UP

1шт.

6

02896-11008

O-Ring

SN: H62051-UP

1шт.

7

02896-11009

O-Ring

SN: H62051-UP

2шт.

8

419-18-41340

Hose

SN: H62051-UP

1шт.

9

417-823-2460

Joint

SN: H62051-UP

1шт.

10

02896-11009

O-Ring

SN: H62051-UP

2шт.

11

419-18-41360

Hose

SN: H62051-UP

1шт.

12

419-18-31391

Hose

SN: H62051-UP

1шт.

13

418-T80-3281

Elbow

SN: H62051-UP

1шт.

14

419-18-31331

Elbow

SN: H62051-UP

1шт.

15

21W-62-43970

Elbow

SN: H62051-UP

1шт.

16

07000-12011

O-Ring

SN: H62051-UP

3шт.

17

02896-11009

O-Ring

SN: H62051-UP

2шт.

18

02896-11008

O-Ring

SN: H62051-UP

1шт.

19

04434-51210

Clip

SN: H62051-UP

1шт.

20

04434-51510

Clip

SN: H62051-UP

1шт.

21

600-051-2050

Clip

SN: H62051-UP

1шт.

22

01010-81020

Bolt

SN: H62051-UP

2шт.

23

01643-31032

Washer

SN: H62051-UP

2шт.

24

799-101-5220

Nipple

SN: H62051-UP

1шт.

25

07002-11023

O-Ring

SN: H62051-UP

1шт.

26

07000-12018

O-Ring

SN: H62051-UP

1шт.

27

419-18-31510

Tee

SN: H62051-UP

1шт.

28

02896-11009

O-Ring

SN: H62051-UP

2шт.

29

20U-62-41730

Union

SN: H62051-UP

1шт.

30

07002-11423

O-Ring

SN: H62051-UP

1шт.

31

02896-11009

O-Ring

SN: H62051-UP

1шт.

32

419-18-48114

Hose

SN: H62051-UP

1шт.

33

04434-51610

Clip

SN: H62051-UP

1шт.

34

01010-81020

Bolt

SN: H62051-UP

1шт.

35

01643-31032

Washer

SN: H62051-UP

1шт.

36

02761-003A3

Hose

SN: H62051-UP

1шт.

37

02781-0031D

Union

SN: H62051-UP

1шт.

38

07002-11423

O-Ring

SN: H62051-UP

1шт.

39

02896-11009

O-Ring

SN: H62051-UP

1шт.

40

419-18-48122

Hose

SN: H62051-UP

1шт.

Выбрано товаров: 40