Запчасти Komatsu WA320-6 ПРОТИВОВЕС, С ДОПОЛН. ВЕС ПРОТИВОВЕС, С ДОПОЛН. ВЕС

Схема запчастей Komatsu WA320-6 - ПРОТИВОВЕС, С ДОПОЛН. ВЕС ПРОТИВОВЕС, С ДОПОЛН. ВЕС
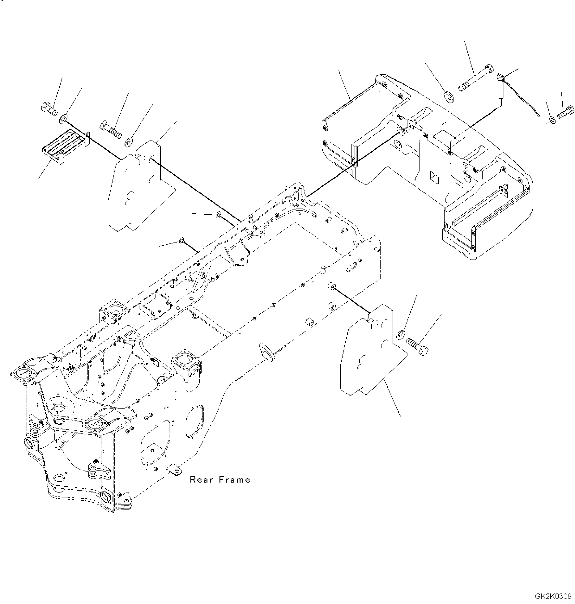
2
3
1
9
5
10
12
6
7
13
11
9
8
4
4
13
12
11
FIT
1:1
100%

Артикул

Название

Примечание

Количество

1

419-46-35210

Counterweight

SN: H62051-UP

1шт.

2

01011-62480

Bolt

SN: H62051-UP

4шт.

3

01643-32460

Washer

SN: H62051-UP

4шт.

4

21X-54-32350

Cap

SN: H62051-UP

2шт.

5

418-46-35240

Pin

SN: H62051-UP

1шт.

6

01010-80816

Bolt

SN: H62051-UP

1шт.

7

01643-30823

Washer

SN: H62051-UP

1шт.

8

418-04-31181

Step

SN: H62051-UP

1шт.

9

01016-51235

Bolt

SN: H62051-UP

2шт.

10

01643-31232

Washer

SN: H62051-UP

2шт.

11

419-T80-4961

Weight

SN: H62051-UP

2шт.

12

01010-62075

Bolt

SN: H62051-UP

6шт.

13

01643-32060

Washer

SN: H62051-UP

6шт.

Выбрано товаров: 13