Запчасти Komatsu WA320-7 КОМПОНЕНТЫ ДВИГАТЕЛЯ, STARTING ПРОВОДКА (№8-) КОМПОНЕНТЫ ДВИГАТЕЛЯ, С AMP. ГЕНЕРАТОР

Схема запчастей Komatsu WA320-7 - КОМПОНЕНТЫ ДВИГАТЕЛЯ, STARTING ПРОВОДКА (№8-) КОМПОНЕНТЫ ДВИГАТЕЛЯ, С AMP. ГЕНЕРАТОР
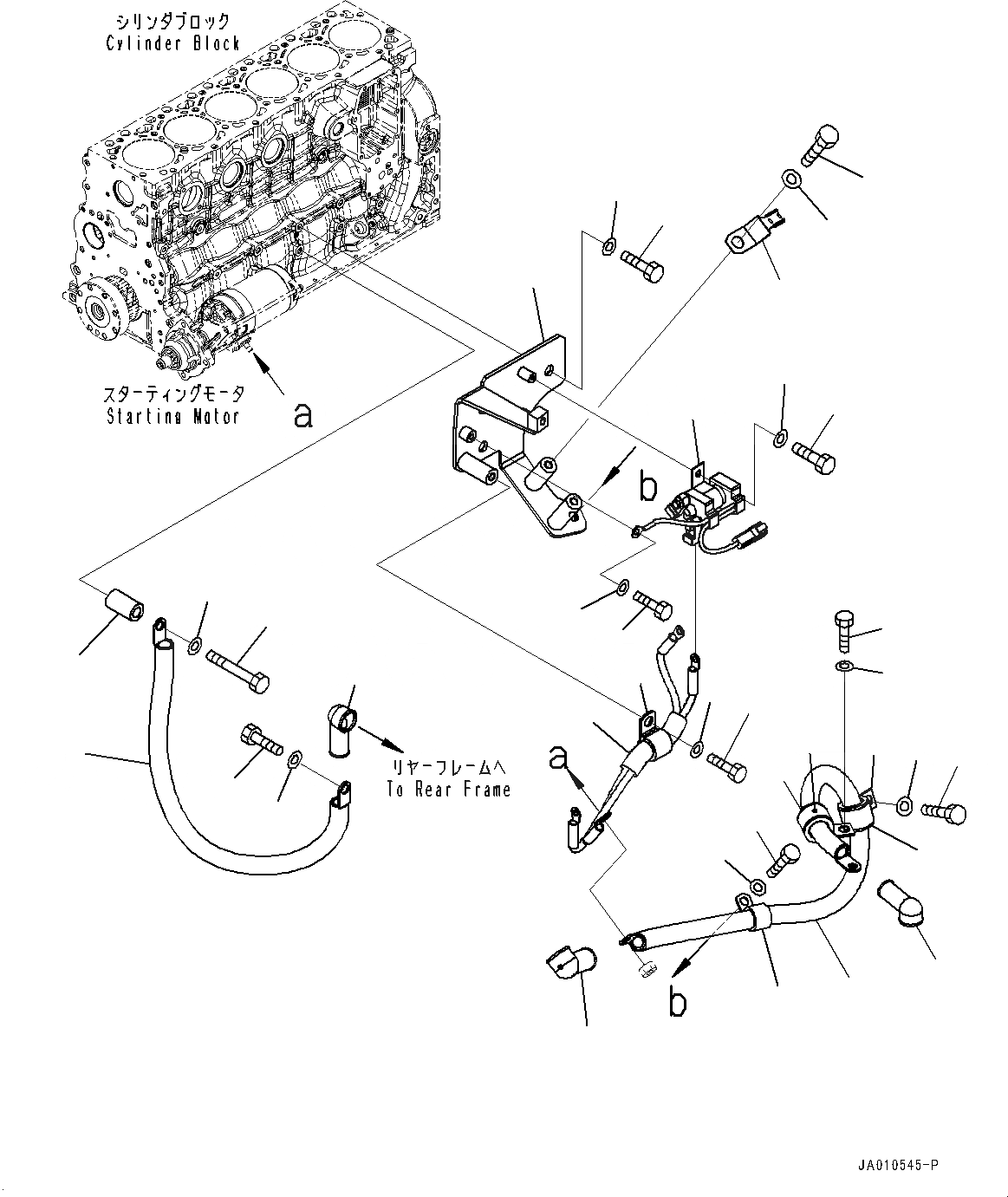
17
15
24
25
26
27
23
21
22
20
16
14
13
19
18
14
13
18
19
12
11
6
7
8
5
9
10
30
28
29
18
19
3
4
2
1
FIT
1:1
100%

Артикул

Название

Примечание

Количество

1

419-06-52320

Wiring Harness

SN: 80001-UP

1шт.

2

600-051-2190

Clip

SN: 80001-UP

1шт.

3

01010-81020

Bolt

SN: 80001-UP

1шт.

4

01643-31032

Washer

SN: 80001-UP

1шт.

5

419-06-52250

Cable

SN: 80001-UP

1шт.

6

01010-81225

Bolt

SN: 80001-UP

1шт.

7

01643-31232

Washer

SN: 80001-UP

1шт.

8

581-22-12760

Spacer

SN: 80001-UP

1шт.

9

01010-81270

Bolt

SN: 80001-UP

1шт.

10

01643-31232

Washer

SN: 80001-UP

1шт.

11

08038-06031

Cap

SN: 80001-UP

1шт.

12

419-06-52420

Cable

SN: 80001-UP

1шт.

13

04434-53412

Clip

SN: 80001-UP

2шт.

14

07095-20625

Cushion

SN: 80001-UP

2шт.

15

600-051-2240

Clip

SN: 80001-UP

1шт.

16

08038-06031

Cap

SN: 80001-UP

1шт.

17

11Y-06-11630

Cap

SN: 80001-UP

1шт.

18

01010-81020

Bolt

SN: 80001-UP

3шт.

19

01643-31032

Washer

SN: 80001-UP

3шт.

20

11Y-06-11391

Switch, Starter Relay

SN: 80001-UP

1шт.

21

01010-80612

Bolt

SN: 80001-UP

2шт.

22

01643-30623

Washer

SN: 80001-UP

2шт.

23

419-06-58220

Bracket

SN: 80001-UP

1шт.

24

01010-81235

Bolt

SN: 80001-UP

3шт.

25

01643-31232

Washer

SN: 80001-UP

3шт.

26

01010-80816

Bolt

SN: 80001-UP

1шт.

27

01643-30823

Washer

SN: 80001-UP

1шт.

28

01010-81020

Bolt

SN: 80001-UP

1шт.

29

01643-31032

Washer

SN: 80001-UP

1шт.

30

08193-20012

Clip

SN: 80001-UP

1шт.

Выбрано товаров: 30