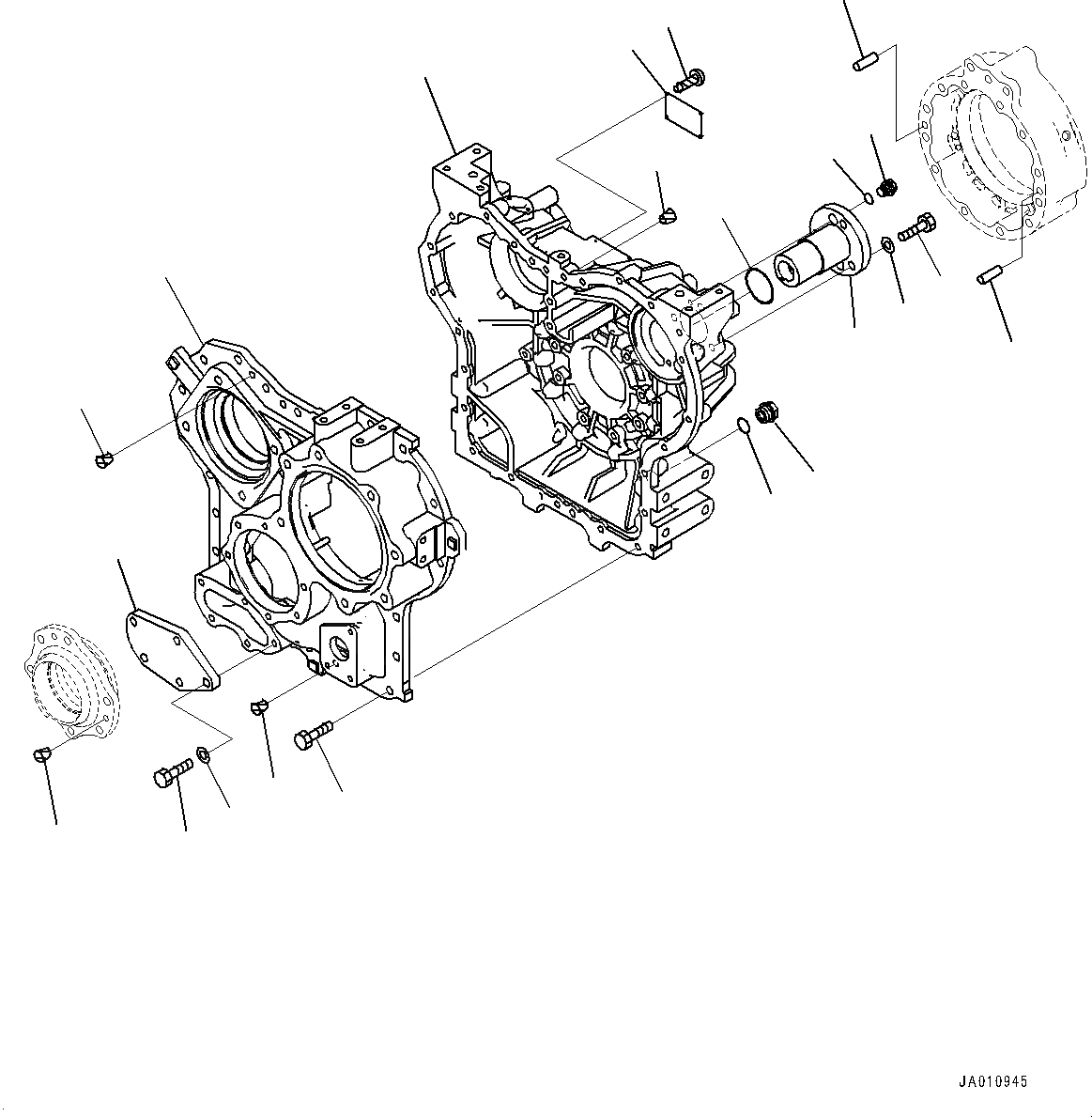
Запчасти Komatsu WA320-7 ПЕРЕДАЧА, КОРПУС (№8-) ПЕРЕДАЧА, С КРЫШКА МАСЛОНАЛИВНОГО ПАТРУБКА БЛОКИРОВКА И КРЫШКИБЛОКИР.

Схема запчастей Komatsu WA320-7 - ПЕРЕДАЧА, КОРПУС (№8-) ПЕРЕДАЧА, С КРЫШКА МАСЛОНАЛИВНОГО ПАТРУБКА БЛОКИРОВКА И КРЫШКИБЛОКИР.
7
7
1
2
3
4
5
6
8
9
10
11
12
13
16
16
17
18
14
15
16
16
FIT
1:1
100%

Артикул

Название

Примечание

Количество

|$0

419-17-51000

Transfer Assembly

SN: 80001-UP

1шт.

|$1

419-17-51101

Case Assembly

SN: 80001-UP

1шт.

1

Case,Front

SN: 80001-UP

1шт.

2

Case,Rear

SN: 80001-UP

1шт.

3

01010-81235

Bolt

SN: 80001-UP

24шт.

4

419-17-59420

Cover

SN: 80001-UP

1шт.

5

01010-81245

Bolt

SN: 80001-UP

5шт.

6

01643-31232

Washer

SN: 80001-UP

5шт.

7

04020-01228

Pin, Dowel

SN: 80001-UP

2шт.

8

419-17-52810

Shaft

SN: 80001-UP

1шт.

9

07000-A2055

O-ring

SN: 80001-UP

1шт.

10

01010-81245

Bolt

SN: 80001-UP

3шт.

11

01643-31232

Washer

SN: 80001-UP

3шт.

12

708-8E-16150

Plug

SN: 80001-UP

2шт.

13

07002-61023

O-ring

SN: 80001-UP

2шт.

14

09608-05080

Plate, Name (Limited Supply)

SN: 80001-UP

1шт.

15

04418-13060

Screw

SN: 80001-UP

4шт.

16

07049-01215

Plug

SN: 80001-UP

9шт.

17

07044-12412

Plug

SN: 80001-UP

1шт.

18

07002-62434

O-ring

SN: 80001-UP

1шт.

Выбрано товаров: 20