Запчасти Komatsu WA320-7 HYDROSTATIC ТРАНСМИССИЯ (HST) МАСЛОПРОВОДЯЩАЯ ЛИНИЯ, ПОДАЧА ТРУБЫ (№8-) HYDROSTATIC ТРАНСМИССИЯ (HST) МАСЛОПРОВОДЯЩАЯ ЛИНИЯ, БЕЗ ЭКСТРЕНН. РУЛЕВ. УПРАВЛЕНИЕ, АВТОМАТИЧ. УПРАВЛ-Е ТИП

Схема запчастей Komatsu WA320-7 - HYDROSTATIC ТРАНСМИССИЯ (HST) МАСЛОПРОВОДЯЩАЯ ЛИНИЯ, ПОДАЧА ТРУБЫ (№8-) HYDROSTATIC ТРАНСМИССИЯ (HST) МАСЛОПРОВОДЯЩАЯ ЛИНИЯ, БЕЗ ЭКСТРЕНН. РУЛЕВ. УПРАВЛЕНИЕ, АВТОМАТИЧ. УПРАВЛ-Е ТИП
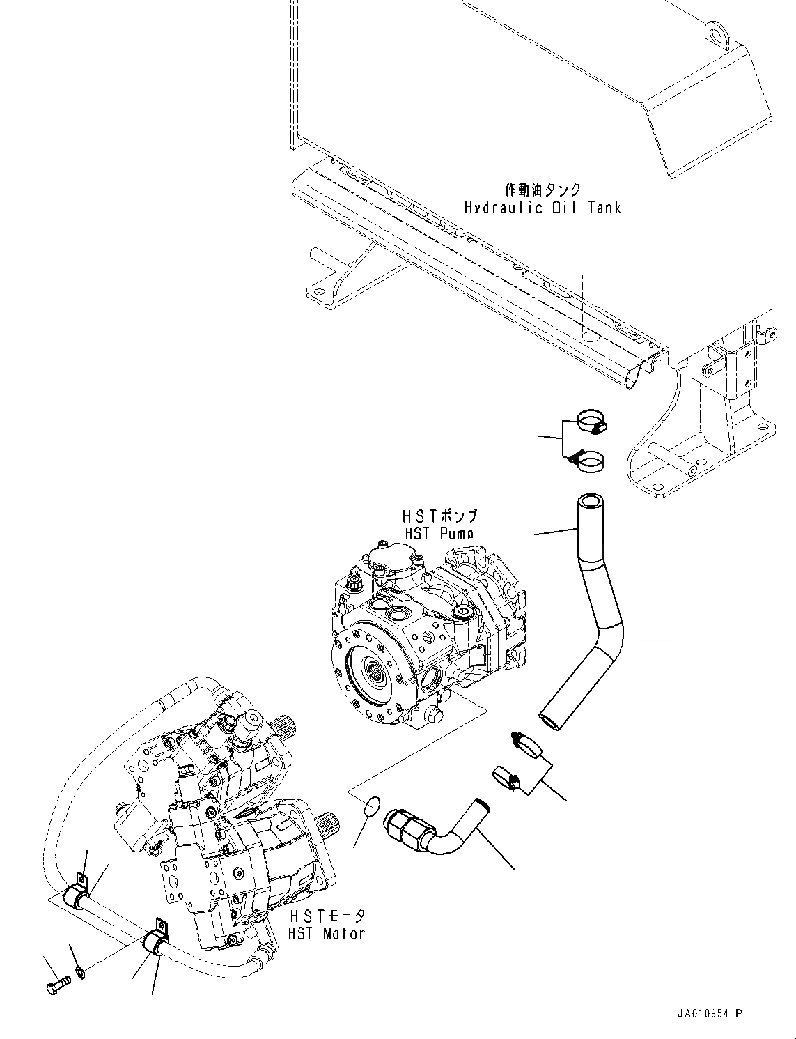
1
2
3
4
5
6
7
8
2
6
5
FIT
1:1
100%

Артикул

Название

Примечание

Количество

1

419-18-51460

Hose

SN: 80001-UP

1шт.

2

07289-00045

Clamp

SN: 80001-UP

4шт.

3

418-18-51180

Tube

SN: 80001-UP

1шт.

4

07000-13038

O-ring

SN: 80001-UP

1шт.

5

04434-53211

Clip

SN: 80001-UP

2шт.

6

07095-20523

Cushion

SN: 80001-UP

2шт.

7

01010-81020

Bolt

SN: 80001-UP

2шт.

8

01643-31032

Washer

SN: 80001-UP

2шт.

Выбрано товаров: 8