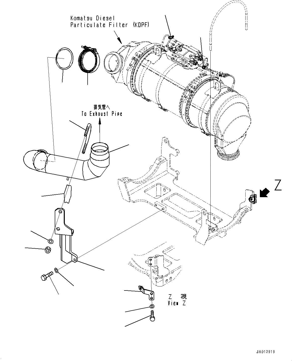
Запчасти Komatsu WA320-7 КОМПОНЕНТЫ ДВИГАТЕЛЯ, KOMATSU DIESEL ЧАСТЬICULATE ФИЛЬТР. (KDPF) КРЕПЛЕНИЕ (№89-) КОМПОНЕНТЫ ДВИГАТЕЛЯ, С AMP. ГЕНЕРАТОР

Схема запчастей Komatsu WA320-7 - КОМПОНЕНТЫ ДВИГАТЕЛЯ, KOMATSU DIESEL ЧАСТЬICULATE ФИЛЬТР. (KDPF) КРЕПЛЕНИЕ (№89-) КОМПОНЕНТЫ ДВИГАТЕЛЯ, С AMP. ГЕНЕРАТОР
10
10
2
3
14
9
8
1
7
4
11
12
13
6
5
FIT
1:1
100%

Артикул

Название

Примечание

Количество

1

419-02-51131

Bracket

SN: 80149-UP

1шт.

2

01010-81025

Bolt

SN: 80001-UP

2шт.

3

01643-31032

Washer

SN: 80001-UP

2шт.

4

419-02-51120

Tube

SN: 80001-UP

1шт.

5

6520-91-1020

Clamp

SN: 80001-UP

1шт.

6

6520-91-1030

Gasket

SN: 80001-UP

1шт.

7

07283-31087

Clip, Pipe

SN: 80149-UP

1шт.

8

01643-31232

Washer

SN: 80149-UP

2шт.

9

01597-01211

Nut

SN: 80149-UP

2шт.

10

6218-81-8470

Band

SN: 80001-UP

2шт.

11

419-01-51370

Plate

SN: 80001-UP

1шт.

12

01010-81025

Bolt

SN: 80001-UP

2шт.

13

01643-31032

Washer

SN: 80001-UP

2шт.

14

421-02-51150

Seat

SN: 80149-UP

1шт.

Выбрано товаров: 14