Запчасти Komatsu WA320-7 ЗАДН. МОСТ, КОЖУХ КРЕПЛЕНИЕ (№8-) ЗАДН. МОСТ, С САМОБЛОКИР. ДИФФЕРЕНЦ.

Схема запчастей Komatsu WA320-7 - ЗАДН. МОСТ, КОЖУХ КРЕПЛЕНИЕ (№8-) ЗАДН. МОСТ, С САМОБЛОКИР. ДИФФЕРЕНЦ.
3
2
3
2
1
1
5
4
FIT
1:1
100%

Артикул

Название

Примечание

Количество

|$0

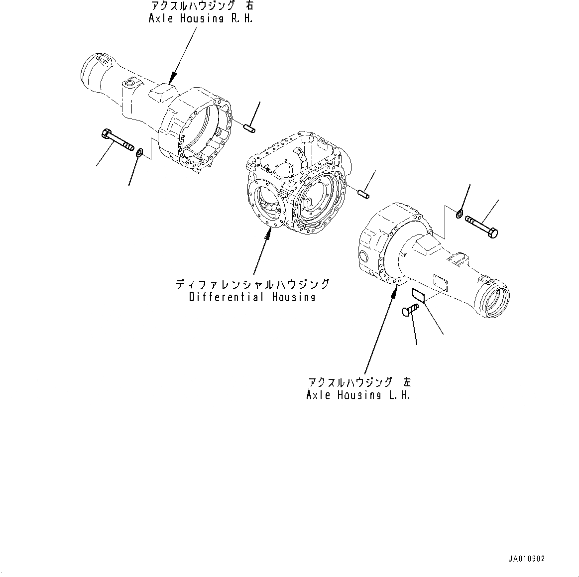
419-23-47010

Axle Assembly

SN: 80001-UP

1шт.

1

04020-01228

Pin, Dowel

SN: 80001-UP

4шт.

2

01011-61675

Bolt

SN: 80001-UP

32шт.

3

01643-31645

Washer

SN: 80001-UP

32шт.

4

815-02-10110

Plate, Name (Limited Supply)

SN: 80001-UP

1шт.

5

04418-13060

Screw

SN: 80001-UP

4шт.

Выбрано товаров: 6