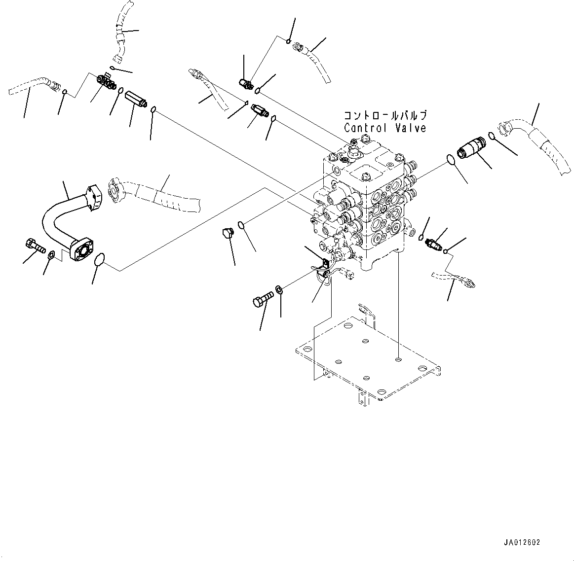
Запчасти Komatsu WA320-7 УПРАВЛЯЮЩ. КЛАПАН, КЛАПАН КОМПОНЕНТЫ (/) (№8-) УПРАВЛЯЮЩ. КЛАПАН, 3-Х СЕКЦИОНН. КОНТРОЛЬН. КЛАПАН, С JRB БЫСТРОСЪЕМН. МЕХ-М

Схема запчастей Komatsu WA320-7 - УПРАВЛЯЮЩ. КЛАПАН, КЛАПАН КОМПОНЕНТЫ (/) (№8-) УПРАВЛЯЮЩ. КЛАПАН, 3-Х СЕКЦИОНН. КОНТРОЛЬН. КЛАПАН, С JRB БЫСТРОСЪЕМН. МЕХ-М
5
4
6
29
8
7
9
30
21
20
18
17
19
31
19
33
11
13
12
10
28
15
14
16
32
24
27
23
22
26
25
2
1
3
34
FIT
1:1
100%

Артикул

Название

Примечание

Количество

1

419-62-51750

Union

SN: 80001-UP

1шт.

2

07000-B3024

O-ring

SN: 80001-UP

1шт.

3

02896-61018

O-ring

SN: 80001-UP

1шт.

4

17M-61-41280

Elbow

SN: 80001-UP

1шт.

5

07002-11423

O-ring

SN: 80001-UP

1шт.

6

02896-11008

O-ring

SN: 80001-UP

1шт.

7

20U-62-41890

Nipple

SN: 80001-UP

1шт.

8

07002-11423

O-ring

SN: 80001-UP

1шт.

9

02896-11008

O-ring

SN: 80001-UP

1шт.

10

419-62-51820

Tube

SN: 80001-UP

1шт.

11

07000-13035

O-ring

SN: 80001-UP

1шт.

12

07372-21040

Bolt

SN: 80001-UP

4шт.

13

01643-51032

Washer

SN: 80001-UP

4шт.

14

02782-10210

Elbow

SN: 80001-UP

1шт.

15

07002-11423

O-ring

SN: 80001-UP

1шт.

16

02896-11008

O-ring

SN: 80001-UP

1шт.

17

21W-62-45140

Elbow

SN: 80001-UP

1шт.

18

07002-11423

O-ring

SN: 80001-UP

1шт.

19

02896-11009

O-ring

SN: 80001-UP

2шт.

20

207-62-62460

Adapter

SN: 80001-UP

1шт.

21

07002-11423

O-ring

SN: 80001-UP

1шт.

22

07040-11812

Plug

SN: 80001-UP

1шт.

23

07002-11823

O-ring

SN: 80001-UP

1шт.

24

04434-51710

Clip

SN: 80001-UP

1шт.

25

01010-81020

Bolt

SN: 80001-UP

1шт.

26

01643-31032

Washer

SN: 80001-UP

1шт.

27

07095-20211

Cushion

SN: 80001-UP

1шт.

28

419-62-58370

Hose

SN: UP

-1шт.

|$28

419-62-58370

Hose

SN: UP

-1шт.

29

419-62-58690

Hose

SN: UP

-1шт.

|$30

419-62-58690

Hose

SN: UP

-1шт.

30

419-62-52420

Hose

SN: UP

-1шт.

|$32

419-62-52420

Hose

SN: UP

-1шт.

31

419-62-58680

Hose

SN: UP

-1шт.

|$34

419-62-58680

Hose

SN: UP

-1шт.

32

419-62-53490

Hose

SN: UP

-1шт.

|$36

419-62-53490

Hose

SN: UP

-1шт.

33

419-62-54890

Hose

SN: UP

-1шт.

|$38

419-62-54890

Hose

SN: UP

-1шт.

34

02778-006A5

Hose, Face Seal Type

SN: UP

-1шт.

|$40

02778-006A5

Hose, Face Seal Type

SN: UP

-1шт.

Выбрано товаров: 41