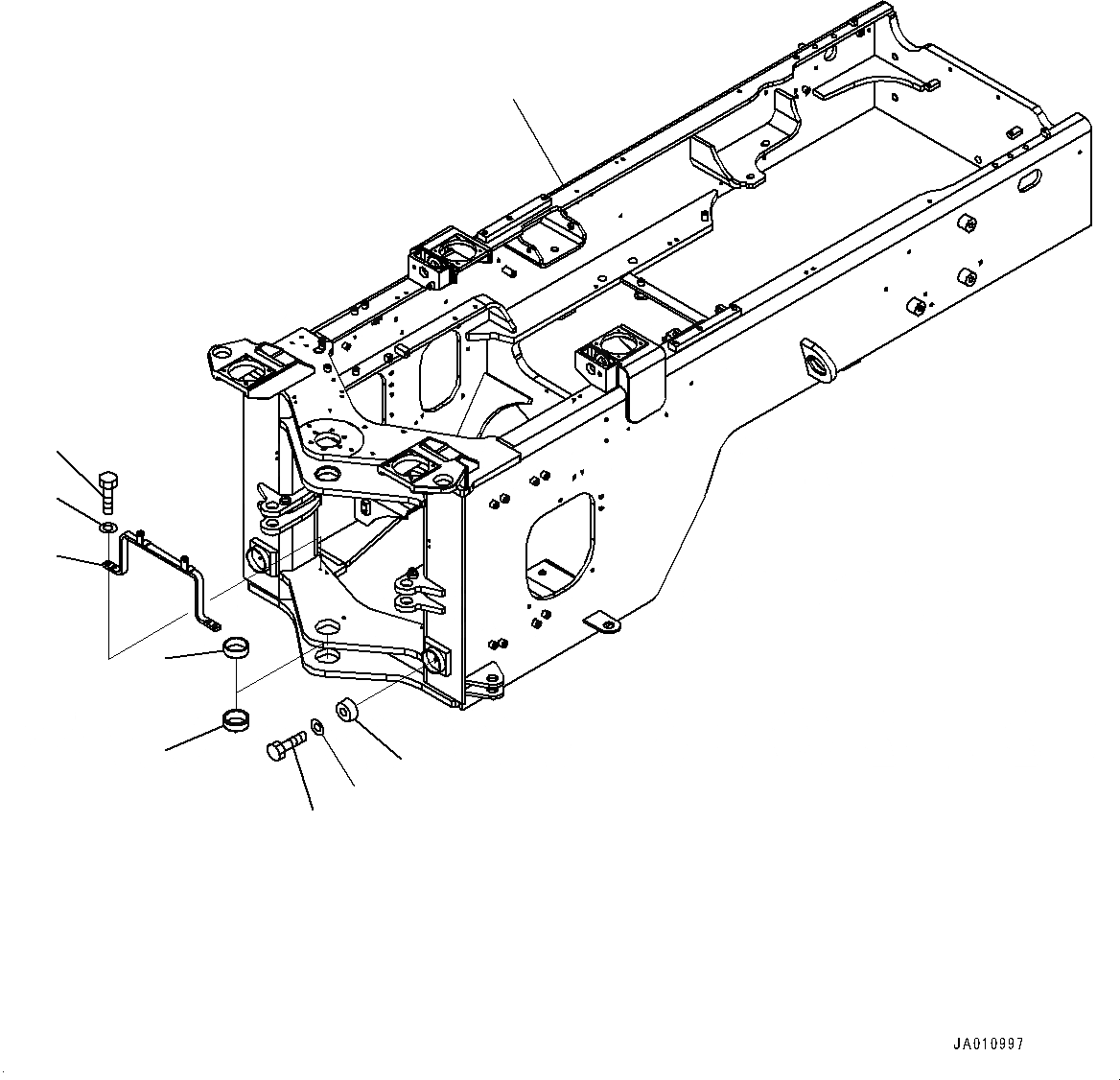
Запчасти Komatsu WA320-7 ЗАДН. РАМА (№8-) ЗАДН. РАМА, С ДОПОЛН. ПРОТИВОВЕС

Схема запчастей Komatsu WA320-7 - ЗАДН. РАМА (№8-) ЗАДН. РАМА, С ДОПОЛН. ПРОТИВОВЕС
1
2
3
4
5
6
7
8
9
FIT
1:1
100%

Артикул

Название

Примечание

Количество

1

419-975-5210

Frame Assembly

SN: 80001-UP

1шт.

2

419-46-52310

Plate

SN: 80001-UP

1шт.

3

01010-81030

Bolt

SN: 80001-UP

4шт.

4

01643-31032

Washer

SN: 80001-UP

4шт.

5

419-46-32321

Bumper

SN: 80001-UP

2шт.

6

01010-81225

Bolt

SN: 80001-UP

2шт.

7

01643-31232

Washer

SN: 80001-UP

2шт.

8

419-46-42210

Bushing

SN: 80001-UP

1шт.

9

419-46-42220

Bushing

SN: 80001-UP

1шт.

Выбрано товаров: 9