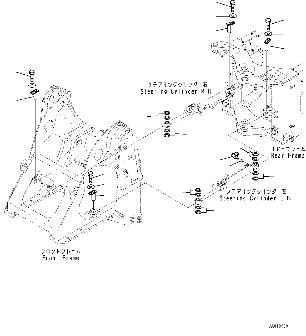
Запчасти Komatsu WA320-7 ЦИЛИНДР РУЛЕВ. УПР-Я, КРЕПЛЕНИЕ (№8-) ЦИЛИНДР РУЛЕВ. УПР-Я

Схема запчастей Komatsu WA320-7 - ЦИЛИНДР РУЛЕВ. УПР-Я, КРЕПЛЕНИЕ (№8-) ЦИЛИНДР РУЛЕВ. УПР-Я
2
2
2
2
8
8
10
9
4
3
1
5
10
9
5
4
3
1
7
6
FIT
1:1
100%

Артикул

Название

Примечание

Количество

1

419-46-12260

Pin

SN: 80001-UP

2шт.

2

419-46-12280

Shim, T=1.0mm

SN: 80001-UP

9шт.

2

419-46-12290

Shim, T=0.5mm

SN: 80001-UP

5шт.

3

01010-81220

Bolt

SN: 80001-UP

2шт.

4

175-54-34170

Washer

SN: 80001-UP

2шт.

5

419-46-32260

Pin

SN: 80001-UP

2шт.

6

799-101-5220

Nipple

SN: 80001-UP

1шт.

7

07002-11023

O-ring

SN: 80001-UP

1шт.

8

419-46-12280

Shim, T=1.0mm

SN: 80001-UP

9шт.

8

419-46-12290

Shim, T=0.5mm

SN: 80001-UP

5шт.

9

01010-81220

Bolt

SN: 80001-UP

2шт.

10

175-54-34170

Washer

SN: 80001-UP

2шт.

Выбрано товаров: 12