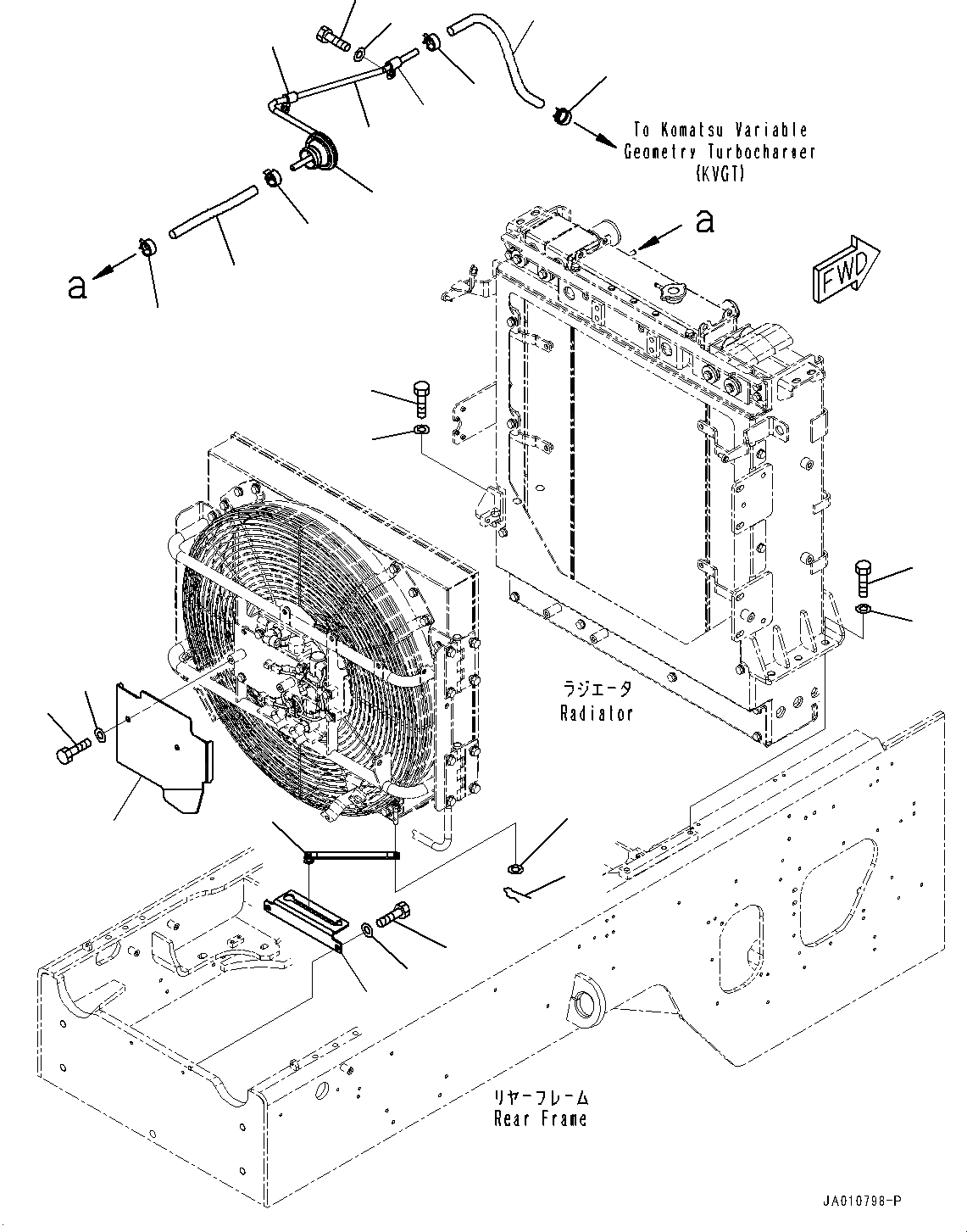
Запчасти Komatsu WA320-7 РАДИАТОР, КРЕПЛЕНИЕ И ПАТРУБКИ (№8-) РАДИАТОР

Схема запчастей Komatsu WA320-7 - РАДИАТОР, КРЕПЛЕНИЕ И ПАТРУБКИ (№8-) РАДИАТОР
2
1
2
1
7
8
6
4
5
3
9
10
11
16
19
12
13
17
14
15
13
18
18
18
18
FIT
1:1
100%

Артикул

Название

Примечание

Количество

1

01643-31445

Washer, Flat

SN: 80001-UP

6шт.

2

01010-81445

Bolt

SN: 80001-UP

6шт.

3

419-03-52580

Plate

SN: 80001-UP

1шт.

4

01010-81020

Bolt

SN: 80001-UP

2шт.

5

01643-31032

Washer

SN: 80001-UP

2шт.

6

419-03-52570

Stopper

SN: 80001-UP

1шт.

7

01640-21016

Washer

SN: 80001-UP

1шт.

8

04052-21038

Pin, Snap

SN: 80001-UP

1шт.

9

419-03-52621

Cover

SN: 80132-UP

1шт.

9

419-03-52620

Cover

SN: 80001-80131

1шт.

10

01010-D1020

Bolt

SN: 80001-UP

2шт.

11

01643-71032

Washer

SN: 80001-UP

2шт.

12

419-03-53740

Tube

SN: 80001-UP

1шт.

13

600-051-6100

Clip

SN: 80001-UP

2шт.

14

01010-81020

Bolt

SN: 80001-UP

2шт.

15

01643-31032

Washer

SN: 80001-UP

2шт.

16

419-03-52750

Hose

SN: 80001-UP

1шт.

17

419-03-52760

Hose

SN: 80001-UP

1шт.

18

11Y-09-11140

Clip

SN: 80001-UP

4шт.

19

08037-13550

Grommet

SN: 80001-UP

1шт.

Выбрано товаров: 20