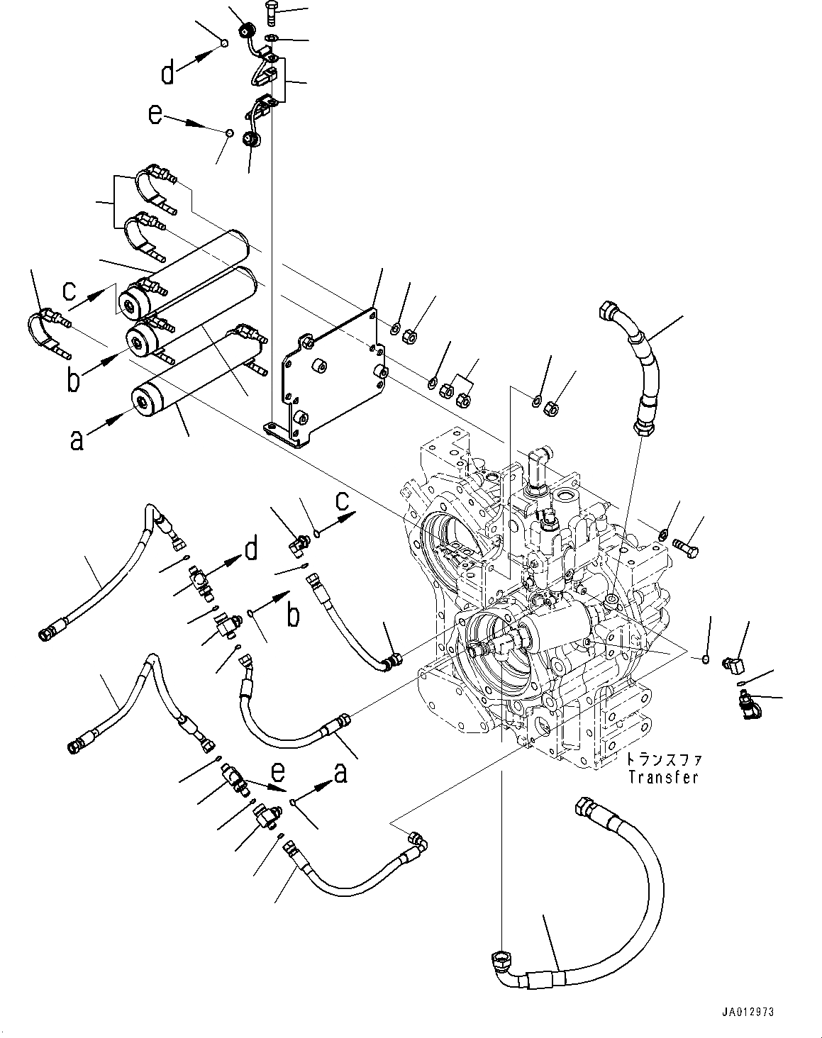
Запчасти Komatsu WA320-7 УПРАВЛ-Е ТОРМОЗОМ, АККУМУЛЯТОР И ТРУБЫ (№8-) УПРАВЛ-Е ТОРМОЗОМ

Схема запчастей Komatsu WA320-7 - УПРАВЛ-Е ТОРМОЗОМ, АККУМУЛЯТОР И ТРУБЫ (№8-) УПРАВЛ-Е ТОРМОЗОМ
14
16
17
14
16
17
11
5
6
5
6
7
8
3
5
6
19
20
18
12
15
13
13
12
15
9
10
21
21
22
22
23
24
25
25
26
27
28
29
30
2
4
1
1
1
32
31
FIT
1:1
100%

Артикул

Название

Примечание

Количество

1

418-43-37401

Accumulator

SN: 80001-UP

3шт.

2

419-43-57840

Bracket

SN: 80001-UP

1шт.

3

417-43-37140

Band

SN: 80001-UP

4шт.

4

419-43-57140

Band

SN: 80001-UP

2шт.

5

01643-31032

Washer

SN: 80001-UP

12шт.

6

01582-11008

Nut

SN: 80001-UP

18шт.

7

01010-81025

Bolt

SN: 80001-UP

3шт.

8

01643-31032

Washer

SN: 80001-UP

3шт.

9

21W-62-43980

Elbow

SN: 80001-UP

1шт.

10

07000-12011

O-ring

SN: 80001-UP

1шт.

11

02896-11008

O-ring

SN: 80001-UP

1шт.

12

419-43-57760

Tee

SN: 80001-UP

2шт.

13

07000-12011

O-ring

SN: 80001-UP

2шт.

14

02896-11008

O-ring

SN: 80001-UP

2шт.

15

425-62-32370

Tee

SN: 80001-UP

2шт.

16

07002-11423

O-ring

SN: 80001-UP

2шт.

17

02896-11008

O-ring

SN: 80001-UP

2шт.

18

600-051-2060

Clip

SN: 80001-UP

2шт.

19

01010-81025

Bolt

SN: 80001-UP

1шт.

20

01643-31032

Washer

SN: 80001-UP

1шт.

21

421-43-32912

Switch, Pressure,Brake Oil

SN: 80001-UP

2шт.

22

07002-11423

O-ring

SN: 80001-UP

2шт.

23

419-43-57870

Hose

SN: 80001-UP

1шт.

24

419-43-57880

Hose

SN: 80001-UP

1шт.

25

02767-002A3

Hose, Face Seal Type

SN: 80001-UP

2шт.

26

419-43-57720

Hose

SN: 80001-UP

1шт.

27

17M-61-42710

Elbow

SN: 80001-UP

1шт.

28

07002-11023

O-ring

SN: 80001-UP

1шт.

29

799-101-5220

Nipple

SN: 80001-UP

1шт.

30

07002-11023

O-ring

SN: 80001-UP

1шт.

31

419-43-57930

Hose

SN: 80001-UP

1шт.

32

419-43-57940

Hose

SN: 80001-UP

1шт.

Выбрано товаров: 0