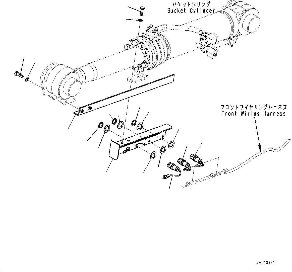
Запчасти Komatsu WA320-7 ПОЗИЦИОНЕР КОВША(№8-) КОВШ ПОЗИЦИОНЕР, С MULTI-COUPLER, СЕВ. АМЕРИКА

Схема запчастей Komatsu WA320-7 - ПОЗИЦИОНЕР КОВША(№8-) КОВШ ПОЗИЦИОНЕР, С MULTI-COUPLER, СЕВ. АМЕРИКА
2
3
5
8
7
6
1
5
4
4
5
4
4
5
5
5
4
4
FIT
1:1
100%

Артикул

Название

Примечание

Количество

1

419-U77-5741

Bracket

SN: 80001-UP

1шт.

2

01010-81230

Bolt

SN: 80001-UP

2шт.

3

01643-31232

Washer

SN: 80001-UP

2шт.

4

418-U77-3650

Washer

SN: 80001-UP

6шт.

5

56B-06-15610

Switch,Bucket Tilt

SN: 80001-UP

3шт.

6

419-U77-5420

Plate

SN: 80001-UP

1шт.

7

01010-81235

Bolt

SN: 80001-UP

2шт.

8

01643-31232

Washer

SN: 80001-UP

2шт.

Выбрано товаров: 8