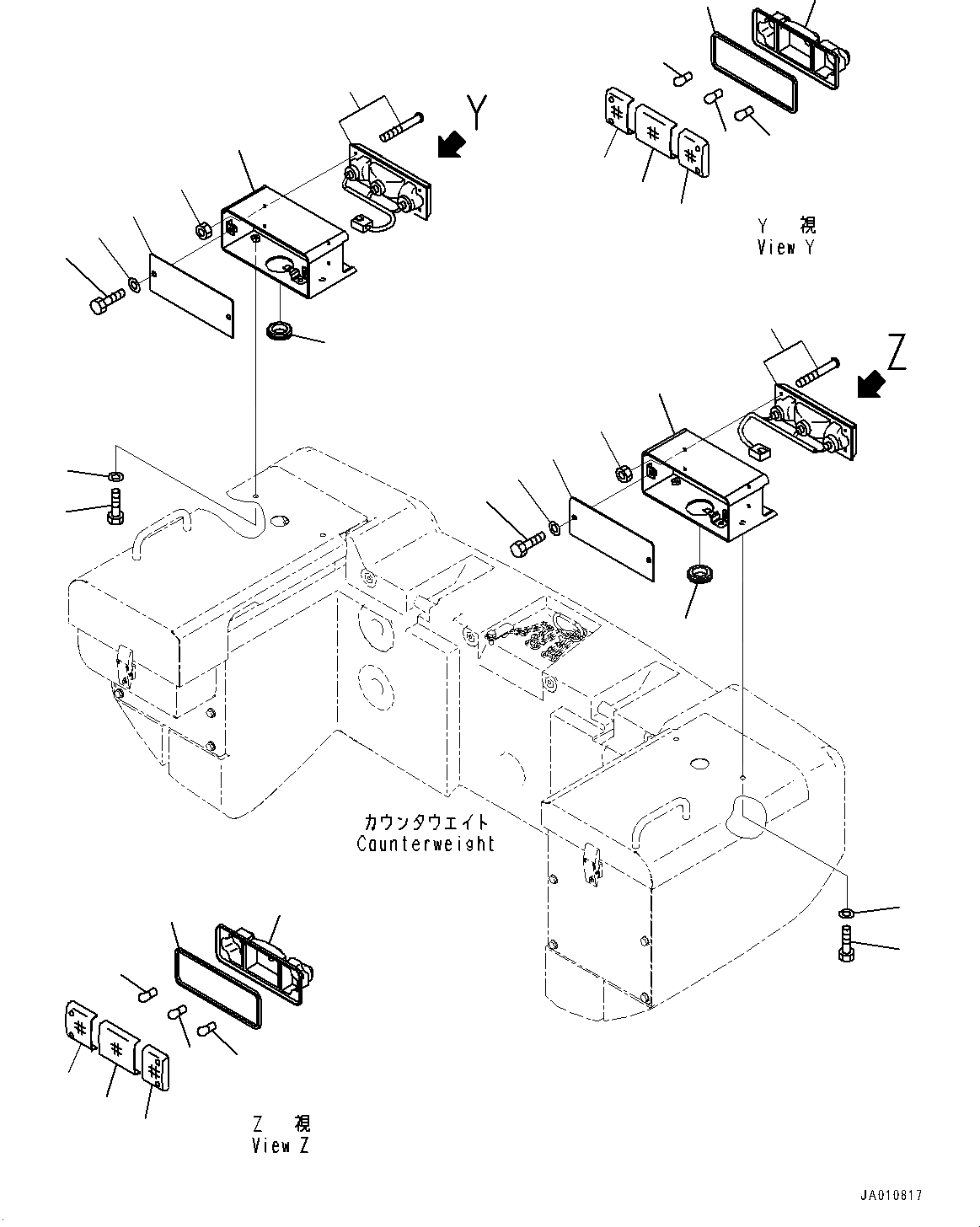
Запчасти Komatsu WA320-7 КОРПУС АККУМУЛЯТОРА, ЗАДН. ФОНАРИ (№8-) КОРПУС АККУМУЛЯТОРА

Схема запчастей Komatsu WA320-7 - КОРПУС АККУМУЛЯТОРА, ЗАДН. ФОНАРИ (№8-) КОРПУС АККУМУЛЯТОРА
21
2
3
4
21
20
19
18
11
4
3
2
1
1
11
18
19
20
11
16
17
13
15
15
14
12
4
9
10
6
8
8
5
7
FIT
1:1
100%

Артикул

Название

Примечание

Количество

1

418-06-41540

Bracket

SN: 80001-UP

2шт.

2

01010-D1020

Bolt

SN: 80001-UP

4шт.

3

01643-71032

Washer

SN: 80001-UP

4шт.

4

424-06-43231

Lamp

SN: 80001-UP

1шт.

5

23A-06-21410

Lens, Amber

SN: 80001-UP

1шт.

6

424-06-43310

Lens, Red

SN: 80001-UP

1шт.

7

23A-06-21430

Lens, Clear

SN: 80001-UP

1шт.

8

424-06-43330

Bulb, 21watt

SN: 80001-UP

2шт.

9

424-06-43340

Bulb, 21/5watt

SN: 80001-UP

1шт.

10

23A-06-21440

Gasket

SN: 80001-UP

1шт.

11

424-06-43241

Lamp

SN: 80001-UP

1шт.

12

23A-06-21510

Lens, Amber

SN: 80001-UP

1шт.

13

424-06-43320

Lens, Red

SN: 80001-UP

1шт.

14

23A-06-21530

Lens, Clear

SN: 80001-UP

1шт.

15

424-06-43330

Bulb, 21watt

SN: 80001-UP

2шт.

16

424-06-43340

Bulb, 21/5watt

SN: 80001-UP

1шт.

17

23A-06-21440

Gasket

SN: 80001-UP

1шт.

18

419-06-23420

Plate

SN: 80001-UP

2шт.

19

01010-D1020

Bolt

SN: 80001-UP

4шт.

20

01643-71032

Washer

SN: 80001-UP

4шт.

21

08037-03614

Grommet

SN: 80001-UP

2шт.

Выбрано товаров: 21