Запчасти Komatsu WA320-7 E- СТРЕЛА ДАТЧИК НАКЛОНА ЭЛЕКТРИКА

Схема запчастей Komatsu WA320-7 - E- СТРЕЛА ДАТЧИК НАКЛОНА ЭЛЕКТРИКА
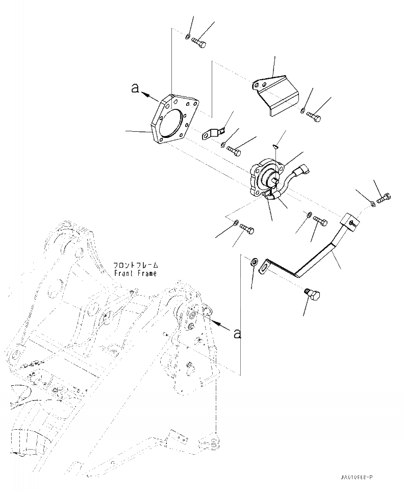
10
9
14
16
15
13
3
8
12
1
4
5
11
18
13
7
6
2
20
19
12
17
1
FIT
1:1
100%

Артикул

Название

Примечание

Количество

1

7861-93-8710

SENSOR, ANGLE

1шт.

2

418-U94-5180

LEVER

1шт.

3

04010-00310

KEY, WOODRUFF

1шт.

4

01010-80835

BOLT

1шт.

5

01602-20825

WASHER

1шт.

6

01010-81030

BOLT

3шт.

7

01643-31032

WASHER

3шт.

8

419-U94-5220

BRACKET

1шт.

9

01010-81035

BOLT

2шт.

10

01643-31032

WASHER

2шт.

11

04434-51012

CLIP

1шт.

12

01010-81020

BOLT

2шт.

13

01643-31032

WASHER

2шт.

14

419-U94-5280

COVER

1шт.

15

08193-20012

CLIP

1шт.

16

01010-81020

BOLT

2шт.

17

01643-31032

WASHER

2шт.

18

20U-70-41560

CUSHION

1шт.

19

21K-54-26370

BOLT

1шт.

20

01643-31032

WASHER

1шт.

Выбрано товаров: 20