Запчасти Komatsu WA320-7 F-7 ПЕРЕДАЧА НАПОЛНИТЕЛЬ ТРУБКА СИЛОВАЯ ПЕРЕДАЧА И КОНЕЧНАЯ ПЕРЕДАЧА

Схема запчастей Komatsu WA320-7 - F-7 ПЕРЕДАЧА НАПОЛНИТЕЛЬ ТРУБКА СИЛОВАЯ ПЕРЕДАЧА И КОНЕЧНАЯ ПЕРЕДАЧА
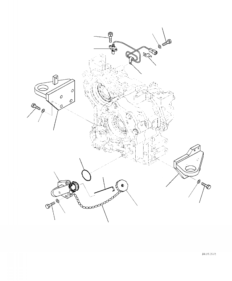
1
4
3
7
8
11
10
5
9
6
2
4
3
13
12
14
15
17
16
FIT
1:1
100%

Артикул

Название

Примечание

Количество

1

419-14-51110

BRACKET

1шт.

2

419-14-51120

BRACKET

1шт.

3

01010-81650

BOLT

8шт.

4

01643-31645

WASHER

8шт.

5

419-18-52280

TUBE

1шт.

6

419-18-52240

GAUGE

1шт.

7

6136-21-7120

CAP ASSEMBLY

1шт.

|$7

6136-21-7180

GASKET

1шт.

8

6136-21-7190

CHAIN

1шт.

9

07000-A2065

O-RING

1шт.

10

01010-81045

BOLT

3шт.

11

01643-31032

WASHER

3шт.

12

729-11-31000

SENSOR, REVOLUTION - TRANSFER

1шт.

13

01252-A0616

BOLT

2шт.

14

600-051-3120

CLIP

1шт.

15

08193-20012

CLIP

1шт.

16

01010-81220

BOLT

1шт.

17

01643-31232

WASHER

1шт.

Выбрано товаров: 18