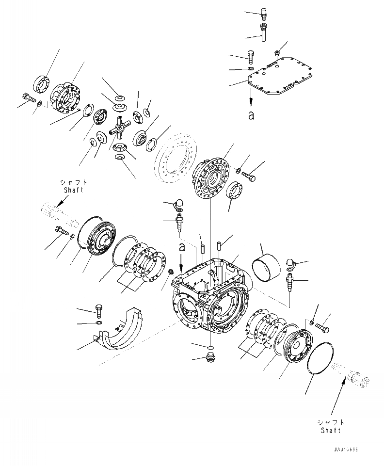
Запчасти Komatsu WA320-7 F- ЗАДН. МОСТ ДИФФЕРЕНЦ. ASSEMBLY (/) СИЛОВАЯ ПЕРЕДАЧА И КОНЕЧНАЯ ПЕРЕДАЧА

Схема запчастей Komatsu WA320-7 - F- ЗАДН. МОСТ ДИФФЕРЕНЦ. ASSEMBLY (/) СИЛОВАЯ ПЕРЕДАЧА И КОНЕЧНАЯ ПЕРЕДАЧА
25
26
24
28
22
2
23
9
7
20
7
9
8
3
10
4
5
10
1
8
12
11
6
7
7
9
9
19
28
18
21
21
14
13
31
19
32
33
27
18
30
17
32
29
31
35
36
16
34
15
29
30
27
33
FIT
1:1
100%

Артикул

Название

Примечание

Количество

|$0

AXLE (SEE FIG. F4500-001001)

1шт.

|$1

DIFFERENTIAL (SEE FIG. F4500-001003)

1шт.

|$2

419-22-31501

CASE ASSEMBLY

1шт.

1

CASE

1шт.

2

CASE

1шт.

3

01010-61295

BOLT

12шт.

4

01643-31232

WASHER

12шт.

5

175-21-12180

PIN

4шт.

6

418-22-31410

SPIDER

1шт.

7

419-22-11421

PINION

4шт.

8

419-22-21430

GEAR

2шт.

9

418-22-31550

WASHER

4шт.

10

419-22-11631

WASHER

2шт.

11

01010-61240

BOLT

20шт.

12

01643-31232

WASHER

20шт.

13

419-23-33810

HOUSING

1шт.

14

419-23-33170

SLEEVE

1шт.

15

07044-13620

PLUG

1шт.

16

07002-13634

O-RING

1шт.

17

07043-70211

PLUG

2шт.

18

419-33-11460

BLEEDER

2шт.

19

566-32-11620

CAP

2шт.

20

419-22-33621

COVER

1шт.

21

04020-01228

PIN, DOWEL

2шт.

22

01010-61240

BOLT

20шт.

23

01643-31232

WASHER

20шт.

24

419-22-33921

CONNECTOR

1шт.

25

07030-01030

BREATHER

1шт.

26

07043-70415

PLUG

1шт.

27

419-22-21861

CARRIER

2шт.

28

419-22-11850

BEARING

2шт.

29

419-22-41760

SHIM, T=0.15MM

6шт.

|$32

419-22-21770

SHIM, T=0.2MM

6шт.

|$33

419-22-21780

SHIM, T=0.3MM

4шт.

|$34

419-22-21790

SHIM, T=0.8MM

2шт.

30

418-33-21430

RING

2шт.

31

01010-61240

BOLT

16шт.

32

01643-31232

WASHER

16шт.

33

419-33-21710

SEAL

2шт.

34

419-22-31710

COVER

1шт.

35

01010-61225

BOLT

4шт.

36

01643-31232

WASHER

4шт.

Выбрано товаров: 42