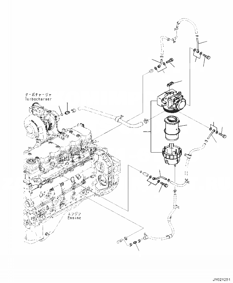
Запчасти Komatsu WA320-7 B9999- KOMATSU ЗАКРЫТ.D CRANKКОРПУС ВЕНТИЛЯТОРILATION (KCCV) ДВИГАТЕЛЬ

Схема запчастей Komatsu WA320-7 - B9999- KOMATSU ЗАКРЫТ.D CRANKКОРПУС ВЕНТИЛЯТОРILATION (KCCV) ДВИГАТЕЛЬ
9
7
3
11
4
5
2
10
7
11
8
10
11
10
1
11
10
6
FIT
1:1
100%

Артикул

Название

Примечание

Количество

1

600-331-2410

VENTILATOR ASSEMBLY, KCCV

1шт.

2

600-331-2900

ELEMENT KIT

1шт.

3

6252-11-2900

SENSOR, PRESSURE

1шт.

4

6755-21-7121

JOINT

1шт.

5

6755-21-7110

O-RING

1шт.

6

6261-51-2810

VALVE, CHECK

1шт.

7

6755-21-7350

JOINT

2шт.

8

6755-21-7390

JOINT

1шт.

9

6746-21-7610

JOINT

1шт.

10

07206-30812

BOLT, JOINT

4шт.

11

07005-01212

SEAL, WASHER

8шт.

Выбрано товаров: 11