Запчасти Komatsu WA320-7 M- КАПОТ КРЕПЛЕНИЕ (/) ЧАСТИ КОРПУСА

Схема запчастей Komatsu WA320-7 - M- КАПОТ КРЕПЛЕНИЕ (/) ЧАСТИ КОРПУСА
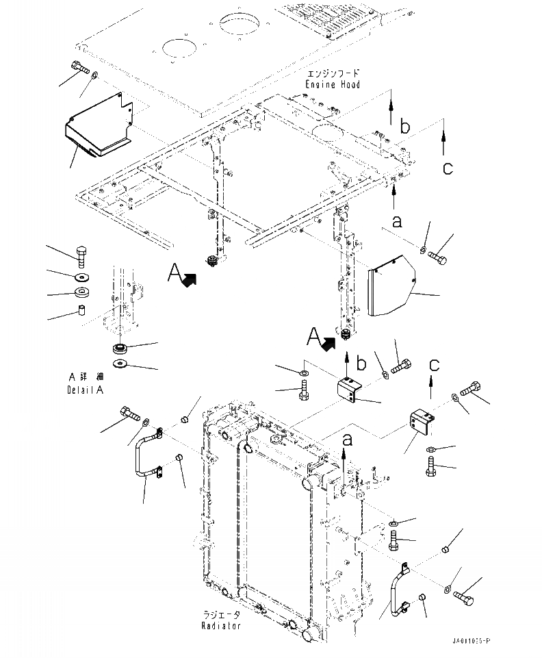
1
2
3
4
5
6
7
8
9
10
11
11
12
12
9
10
15
16
23
17
18
16
19
21
22
23
20
14
13
23
22
21
23
20
FIT
1:1
100%

Артикул

Название

Примечание

Количество

1

419-54-51880

COVER

1шт.

2

419-54-51890

COVER

1шт.

3

01010-81020

BOLT

3шт.

4

01643-31032

WASHER

3шт.

5

01010-81025

BOLT

4шт.

6

01643-31032

WASHER

4шт.

7

419-54-51710

PLATE

1шт.

8

419-54-51720

PLATE

1шт.

9

01010-81025

BOLT

4шт.

10

01643-31032

WASHER

4шт.

11

01010-81035

BOLT

4шт.

12

01643-31032

WASHER

4шт.

13

01010-81225

BOLT

4шт.

14

01643-31232

WASHER

4шт.

15

419-43-17930

CUSHION

2шт.

16

419-43-17920

WASHER

4шт.

17

417-54-13470

SPACER

2шт.

18

417-62-13620

CUSHION

2шт.

19

01010-81250

BOLT

2шт.

20

419-54-52120

GRIP

2шт.

21

01010-D1225

BOLT

4шт.

22

01643-71232

WASHER

4шт.

23

21M-54-16260

CAP

4шт.

Выбрано товаров: 23