Запчасти Komatsu WA320-7 M- ПРОТИВОВЕСS ЧАСТИ КОРПУСА

Схема запчастей Komatsu WA320-7 - M- ПРОТИВОВЕСS ЧАСТИ КОРПУСА
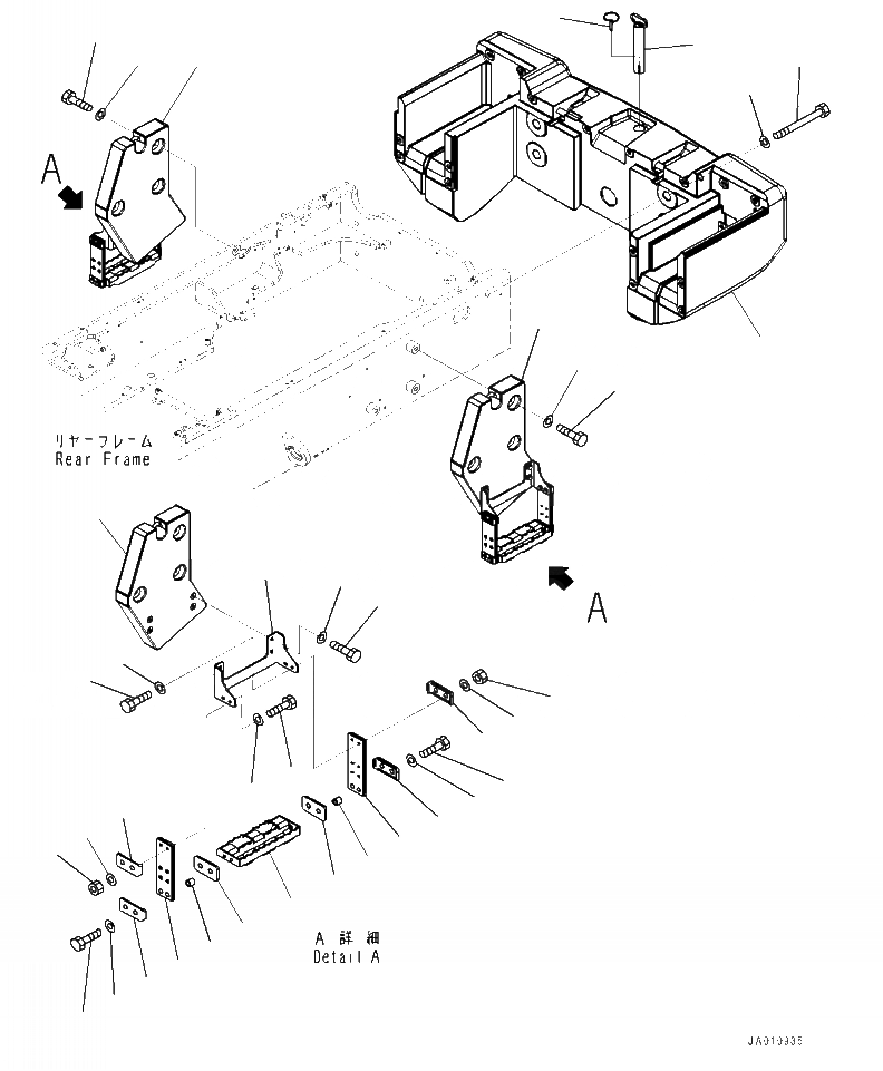
5
22
20
2
3
7
20
20
4
1
22
21
6
8
13
12
15
14
11
12
18
13
11
19
14
11
15
10
17
16
9
16
17
10
11
19
18
21
FIT
1:1
100%

Артикул

Название

Примечание

Количество

1

419-46-55210

WEIGHT, 1810KG (3990 LBS)

1шт.

2

416-T80-4980

BOLT

4шт.

3

01643-32460

WASHER

4шт.

4

419-46-55140

PIN

1шт.

5

426-46-12280

PIN, LINCH

1шт.

6

419-54-58250

BRACKET

2шт.

7

01010-D1225

BOLT

8шт.

8

01643-71232

WASHER

8шт.

9

423-54-54971

STEP

2шт.

10

423-54-54310

RUBBER

4шт.

11

428-T86-1650

PLATE

8шт.

12

01010-D1045

BOLT

8шт.

13

01643-71032

WASHER

8шт.

14

01643-71032

WASHER

8шт.

15

423-54-54110

NUT

8шт.

16

423-54-54240

PLATE

4шт.

17

423-54-54280

SPACER

8шт.

18

01010-D1055

BOLT

8шт.

19

01643-71032

WASHER

8шт.

20

419-T80-5960

WEIGHT, 124KG (273 LBS)

2шт.

21

01010-62065

BOLT

6шт.

22

01643-32060

WASHER

6шт.

Выбрано товаров: 22