Качественные детали и логистика
Оригинальные и аналоговые запчасти с доставкой по России, Казахстану и Беларуси
©2022 PartSell ООО "Система" ИНН 2463123282 ОГРН 1212400004838
Центральный офис: г. Красноярск, Академика Киренского, д.87, пом.4
Телефон: 8 (800) 777-65-74 Email: zakaz@partsell.ru
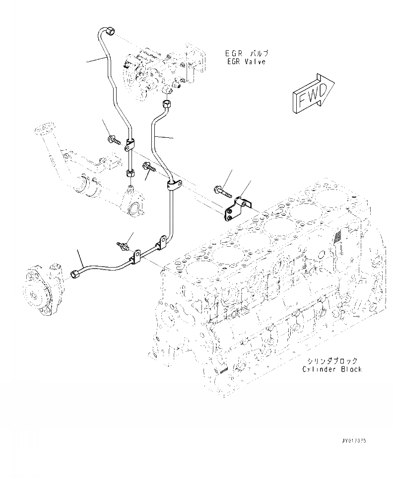
AHD- BOOST МАСЛ. НАСОС ТРУБЫ
№
Артикул
Название
Примечание
Количество
1
6755-51-9830
TUBE
1шт.
2
6755-51-9840
3
6755-51-9850
BRACE
4
6732-61-3170
BOLT
5
01435-00825
2шт.
6
6754-21-1910
Выбрано товаров: 0