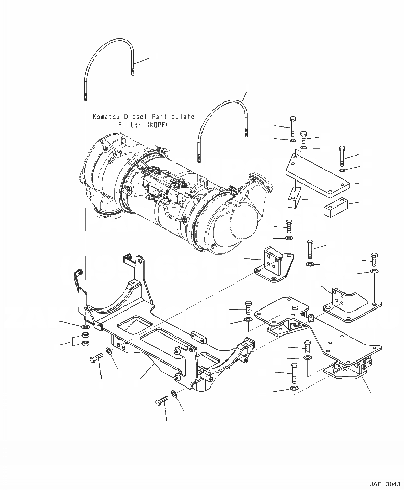
Запчасти Komatsu WA320-7 A- KOMATSU DIESEL ЧАСТЬICULATE ФИЛЬТР. (KDPF) КРЕПЛЕНИЕ ДВИГАТЕЛЬ

Схема запчастей Komatsu WA320-7 - A- KOMATSU DIESEL ЧАСТЬICULATE ФИЛЬТР. (KDPF) КРЕПЛЕНИЕ ДВИГАТЕЛЬ
1
1
25
27
26
28
23
24
22
21
20
10
11
16
5
10
17
11
6
14
2
15
3
12
13
18
9
4
8
19
7
9
8
FIT
1:1
100%

Артикул

Название

Примечание

Количество

1

2A5-01-11412

U-BOLT

2шт.

2

01643-A1032

WASHER

4шт.

3

01581-01008

NUT

8шт.

4

419-01-51211

BRACKET

1шт.

5

423-01-51230

BRACKET

1шт.

6

423-01-51240

BRACKET

1шт.

7

419-01-51223

BRACKET

1шт.

8

01010-E1035

BOLT

8шт.

9

01643-A1032

WASHER

8шт.

10

01010-81035

BOLT

6шт.

11

201-54-72910

WASHER

6шт.

12

01010-81030

BOLT

1шт.

13

01643-31032

WASHER

1шт.

14

01010-81045

BOLT

2шт.

15

01643-31032

WASHER

2шт.

16

01010-E1090

BOLT

1шт.

17

01643-A1032

WASHER

1шт.

18

01011-81005

BOLT

1шт.

19

01643-31032

WASHER

1шт.

20

419-01-51610

SPACER

1шт.

21

419-01-51620

SPACER

1шт.

22

419-01-51630

PLATE

1шт.

23

01010-81090

BOLT

2шт.

24

01643-31032

WASHER

2шт.

25

01010-81290

BOLT

1шт.

26

01643-31232

WASHER

1шт.

27

01010-81045

BOLT

1шт.

28

01643-31032

WASHER

1шт.

Выбрано товаров: 28