Запчасти Komatsu WA320-7 APH- УПРАВЛ-Е ДВИГАТЕЛЕМ MODULE ДВИГАТЕЛЬ

Схема запчастей Komatsu WA320-7 - APH- УПРАВЛ-Е ДВИГАТЕЛЕМ MODULE ДВИГАТЕЛЬ
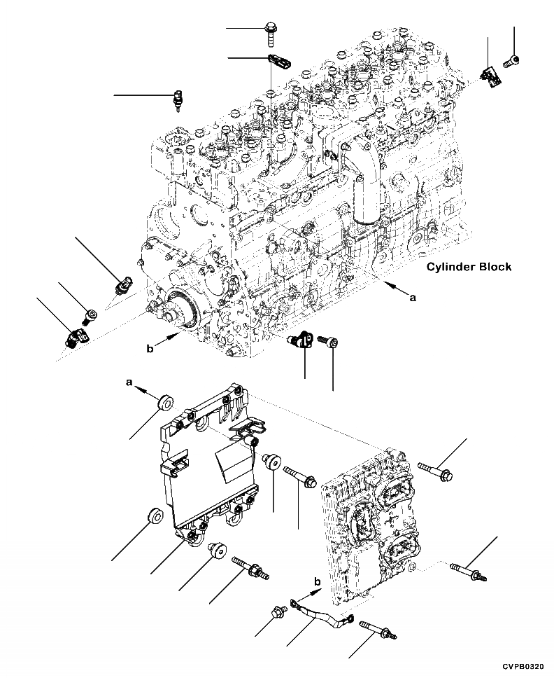
1
2
3
1
3
4
5
5
6
7
8
9
10
11
11
12
13
14
15
16
17
18
FIT
1:1
100%

Артикул

Название

Примечание

Количество

1

6754-81-9110

ISOLATOR

3шт.

2

6755-81-9110

BRACKET

1шт.

3

6754-81-9130

ISOLATOR

3шт.

4

6735-61-2120

BOLT

2шт.

5

6745-81-9560

BOLT

2шт.

6

01435-60850

BOLT

2шт.

7

6755-81-9150

WIRE

1шт.

8

6216-74-6180

BOLT

1шт.

9

6271-81-9201

SENSOR, CRANKSHAFT SPEED (NE)

1шт.

|$9

6271-81-9220

O-RING

1шт.

10

6271-81-9201

SENSOR, CAMSHAFT SPEED (G)

1шт.

|$11

6271-81-9220

O-RING

1шт.

11

6216-84-9220

BOLT

2шт.

12

6744-81-4010

SWITCH, ENGINE OIL PRESSURE

1шт.

13

6261-81-1900

SENSOR, AMBIENT AIR PRESSURE

1шт.

14

6734-71-5520

BOLT

1шт.

15

6754-81-2701

SENSOR, CHARGE AIR TEMP. AND PRESS.

1шт.

16

6754-81-9180

SCREW

1шт.

17

6261-81-6901

SENSOR, ENGINE COOLANT TEMPERATURE

1шт.

18

6745-72-6131

BOLT

1шт.

Выбрано товаров: 20