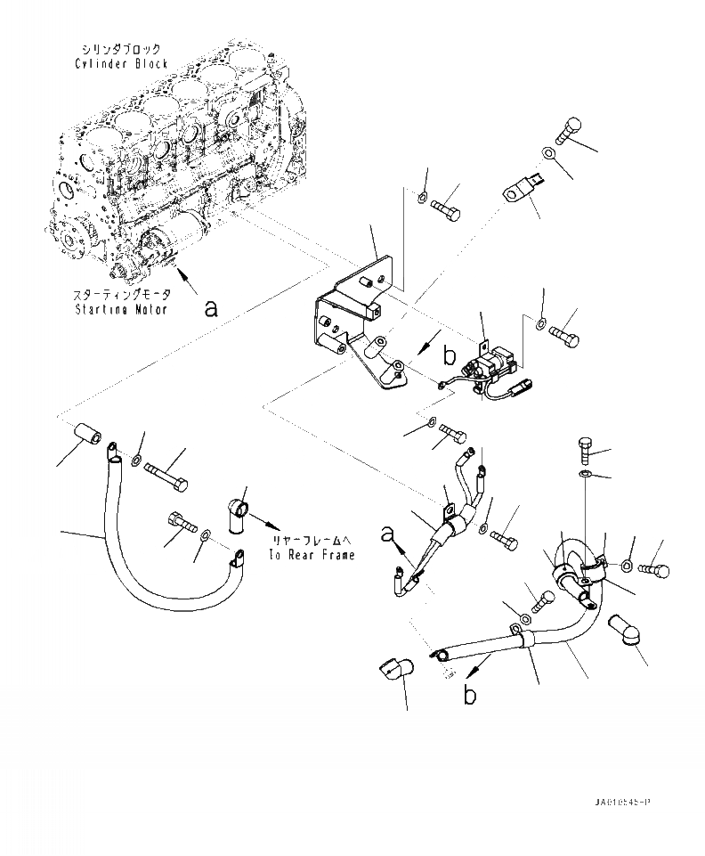
Запчасти Komatsu WA320-7 B- ПРОВОДКА СТАРТЕР КОМПОНЕНТЫ ДВИГАТЕЛЯ

Схема запчастей Komatsu WA320-7 - B- ПРОВОДКА СТАРТЕР КОМПОНЕНТЫ ДВИГАТЕЛЯ
14
6
27
23
25
24
30
20
10
9
18
26
11
8
2
19
4
3
1
13
13
19
18
5
8
18
7
19
11
16
12
15
17
29
28
21
22
6
FIT
1:1
100%

Артикул

Название

Примечание

Количество

1

419-06-52320

WIRING HARNESS

1шт.

2

600-051-2190

CLIP

1шт.

3

01010-81020

BOLT

1шт.

4

01643-31032

WASHER

1шт.

5

419-06-52250

CABLE, GROUND

1шт.

6

01010-81225

BOLT

1шт.

7

01643-31232

WASHER

1шт.

8

581-22-12760

SPACER

1шт.

9

01010-81270

BOLT

1шт.

10

01643-31232

WASHER

1шт.

11

08038-06031

CAP

1шт.

12

419-06-52420

CABLE

1шт.

13

04434-53412

CLIP

2шт.

14

07095-20625

CUSHION

2шт.

15

600-051-2240

CLIP

1шт.

16

08038-06031

CAP

1шт.

17

11Y-06-11630

CAP

1шт.

18

01010-81020

BOLT

3шт.

19

01643-31032

WASHER

3шт.

20

11Y-06-11391

SWITCH, STARTER RELAY

1шт.

21

01010-80612

BOLT

2шт.

22

01643-30623

WASHER

2шт.

23

419-06-58220

BRACKET

1шт.

24

01010-81235

BOLT

3шт.

25

01643-31232

WASHER

3шт.

26

01010-80816

BOLT

1шт.

27

01643-30823

WASHER

1шт.

28

01010-81020

BOLT

1шт.

29

01643-31032

WASHER

1шт.

30

08193-20012

CLIP

1шт.

Выбрано товаров: 30