Запчасти Komatsu WA320 AVANCE CUSTOM ТРАНСМИССИЯ КОРПУС ТРАНСМИССИИ)(/) [ТРАНСМИССИЯ]

Схема запчастей Komatsu WA320 AVANCE CUSTOM - ТРАНСМИССИЯ КОРПУС ТРАНСМИССИИ)(/) [ТРАНСМИССИЯ]
6
8
3
1
4
5
6
2
7
9
FIT
1:1
100%

Артикул

Название

Примечание

Количество

|$1

714-16-20001

TRANSMISSION ASS'Y

Field_2: 20031-

1шт.

|$2

714-16-20000

TRANSMISSION ASS'Y

Field_2: 20001-20030

1шт.

|$1

-1шт.

|$4

THESE ASSEMBLIES CONSISTS OF ALL PARTS SHOWN IN FIGS.F4350-51A0 TO F4350-68A0

-1шт.

|$1

-1шт.

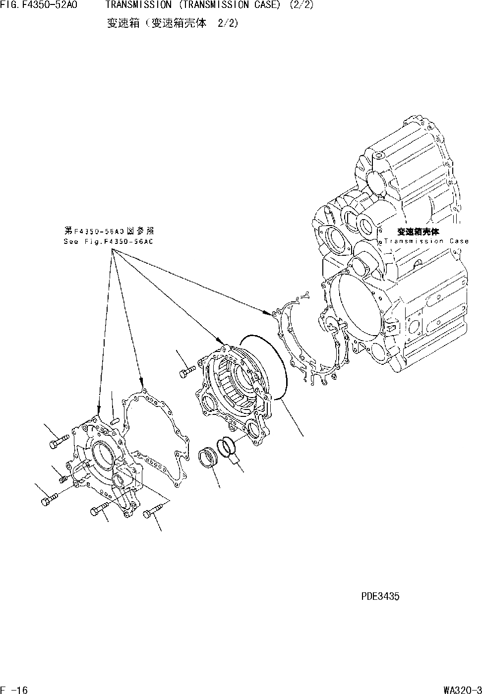
1

714-13-14930

SPACER

Field_2: 20001-

2шт.

2

07043-70211

PLUG

Field_2: 20001-

3шт.

3

07000-02065

O-RING

Field_2: 20001-

4шт.

4

01010-81275

BOLT

Field_2: 20001-

2шт.

5

01010-81250

BOLT

Field_2: 20001-

2шт.

6

01010-81235

BOLT

Field_2: 20001-

9шт.

7

01010-81260

BOLT

Field_2: 20001-

7шт.

8

07000-05260

O-RING

Field_2: 20001-

1шт.

9

04020-01228

PIN,DOWEL

Field_2: 20001-

2шт.

Выбрано товаров: 14