Запчасти Komatsu WA320 AVANCE CUSTOM ОСН. ГИДРАВЛ. КЛАПАН [ГИДРАВЛИКА]

Схема запчастей Komatsu WA320 AVANCE CUSTOM - ОСН. ГИДРАВЛ. КЛАПАН [ГИДРАВЛИКА]
12
12
13
8
9
6
7
2
1
4
3
7
5
11
10
15
16
12
13
11
9
FIT
1:1
100%

Артикул

Название

Примечание

Количество

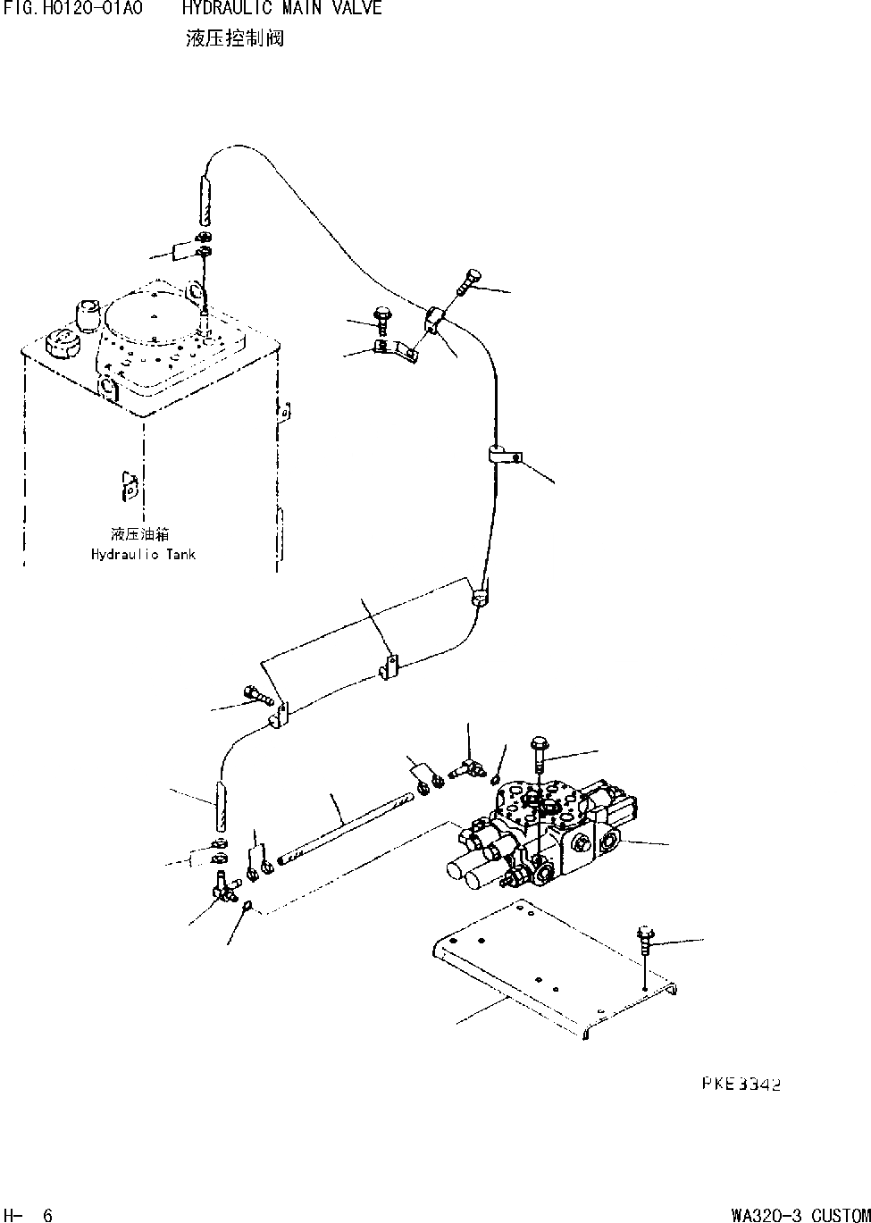
1

700-92-14003

VALVE ASS'Y

Field_2: 20001-

1шт.

2

01435-01280

BOLT

Field_2: 20001-

3шт.

3

419-64-23141

BRACKET

Field_2: 20001-

1шт.

4

01435-01230

BOLT

Field_2: 20001-

4шт.

5

419-62-13590

ELBOW

Field_2: 20001-

1шт.

6

419-62-13610

ELBOW

Field_2: 20001-

1шт.

7

07002-12434

O-RING

Field_2: 20001-

2шт.

8

07260-20922

HOSE

Field_2: 20001-

1шт.

9

07281-00197

CLAMP

Field_2: 20001-

4шт.

10

07261-20935

HOSE

Field_2: 20001-

1шт.

11

07281-00197

CLAMP

Field_2: 20001-

4шт.

12

423-35-12970

CLIP

Field_2: 20001-

6шт.

13

01435-01016

BOLT

Field_2: 20001-

5шт.

15

419-62-23230

PLATE

Field_2: 20001-

1шт.

16

01435-01020

BOLT

Field_2: 20001-

1шт.

Выбрано товаров: 15