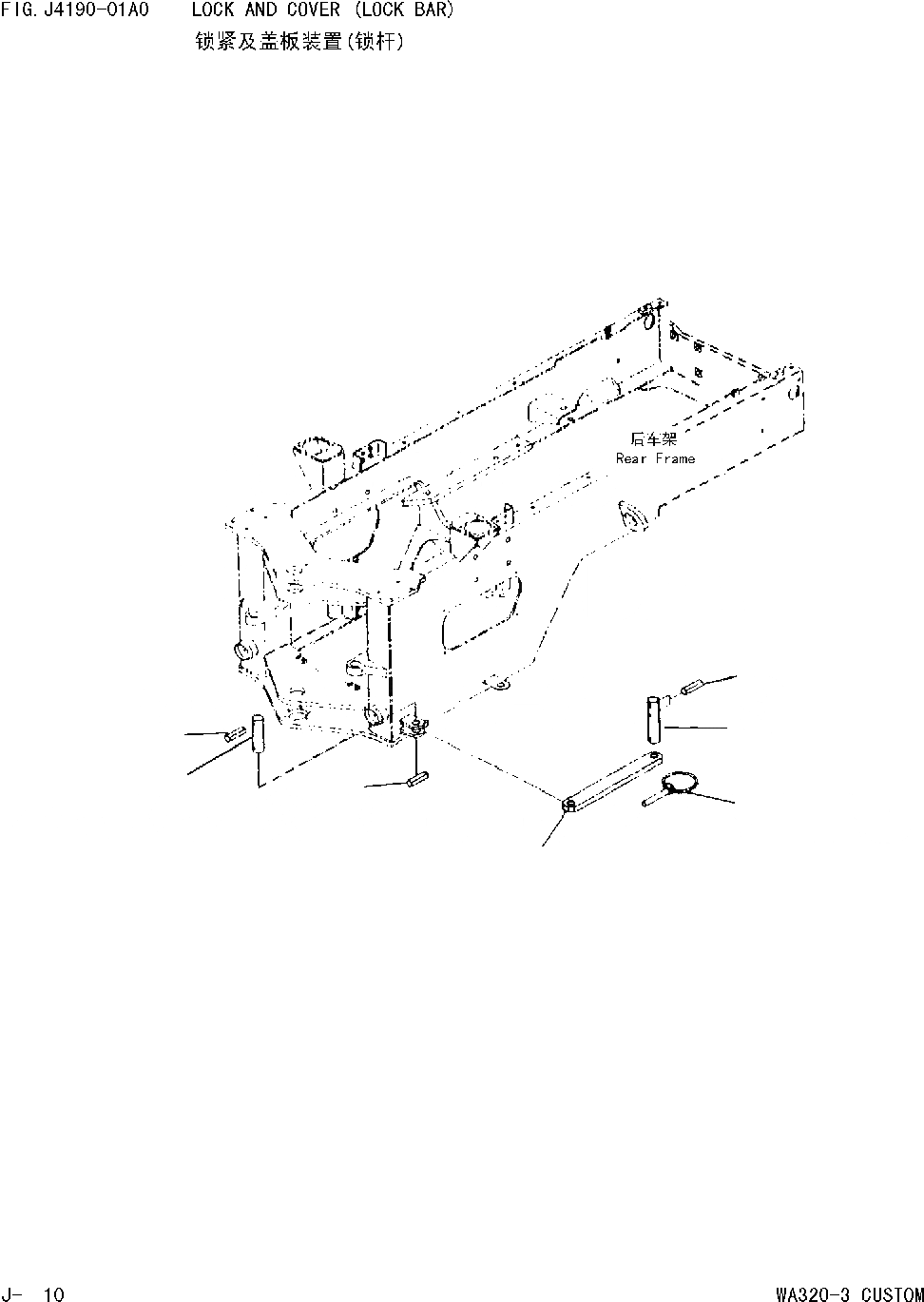
Запчасти Komatsu WA320 AVANCE CUSTOM БЛОКИРОВКА И КРЫШКИБЛОКИР. BAR [ОСНОВНАЯ РАМА И КОМПОНЕНТЫ]

Схема запчастей Komatsu WA320 AVANCE CUSTOM - БЛОКИРОВКА И КРЫШКИБЛОКИР. BAR [ОСНОВНАЯ РАМА И КОМПОНЕНТЫ]
6
5
7
4
1
3
2
FIT
1:1
100%

Артикул

Название

Примечание

Количество

1

421-46-12920

BAR,LOCK

Field_2: 20001-

1шт.

2

421-46-12721

PIN

Field_2: 20001-

1шт.

3

04025-01065

PIN,SPRING

Field_2: 20001-

1шт.

4

04025-01065

PIN,SPRING

Field_2: 20001-

1шт.

5

421-46-12731

PIN

Field_2: 20001-

1шт.

6

04025-01065

PIN,SPRING

Field_2: 20001-

2шт.

7

421-46-12740

PIN,LINCH

Field_2: 20001-

1шт.

Выбрано товаров: 7