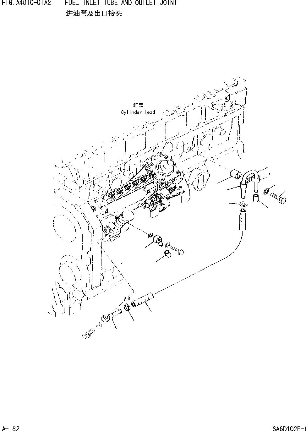
Запчасти Komatsu WA320 AVANCE CUSTOM ТОПЛИВН. ВПУСКН. ТРУБА И ВЫПУСКН. БЛОК [ДВИГАТЕЛЬ SADE-B ДВИГАТЕЛЬ NO.7 И UP ]

Схема запчастей Komatsu WA320 AVANCE CUSTOM - ТОПЛИВН. ВПУСКН. ТРУБА И ВЫПУСКН. БЛОК [ДВИГАТЕЛЬ SADE-B ДВИГАТЕЛЬ NO.7 И UP ]
8
7
5
1
6
7
10
2
1
9
4
5
3
FIT
1:1
100%

Артикул

Название

Примечание

Количество

1

6732-70-5740

CAP

Field_2: 26200467-

2шт.

2

6144-71-5750

JOINT

Field_2: 26200467-

1шт.

3

6141-71-1710

JOINT

Field_2: 26200467-

1шт.

4

07260-20940

HOSE

Field_2: 26200467-

1шт.

5

11Y09-11170

CLAMP

Field_2: 26200467-

2шт.

6

6735-71-5710

TUBE

Field_2: 26200467-

1шт.

7

6735-71-5720

CLIP

Field_2: 26200467-

2шт.

8

6150-81-6950

SPACER

Field_2: 26200467-

1шт.

9

01050-51240

BOLT

Field_2: 26200467-

1шт.

10

01643-31232

WASHER

Field_2: 26200467-

1шт.

Выбрано товаров: 10