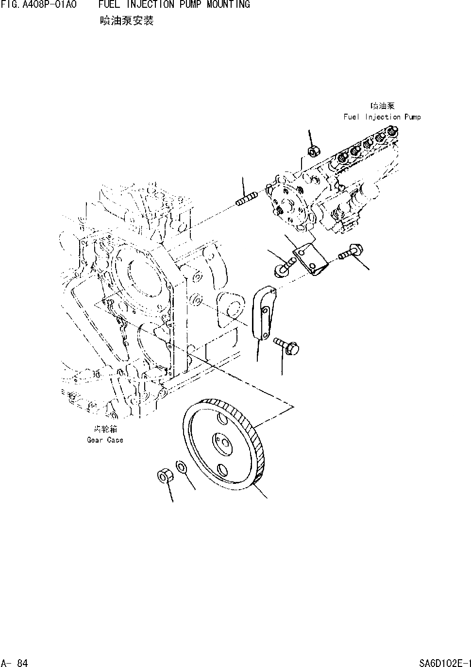
Запчасти Komatsu WA320 AVANCE CUSTOM КРЕПЛЕНИЕ ТОПЛ. НАСОСА [ДВИГАТЕЛЬ SADE-B ДВИГАТЕЛЬ NO.7 И UP ]

Схема запчастей Komatsu WA320 AVANCE CUSTOM - КРЕПЛЕНИЕ ТОПЛ. НАСОСА [ДВИГАТЕЛЬ SADE-B ДВИГАТЕЛЬ NO.7 И UP ]
6
7
3
5
4
1
2
8
9
10
FIT
1:1
100%

Артикул

Название

Примечание

Количество

1

6732-71-3621

BRAKCET

Field_2: 26200467-

1шт.

2

6732-61-6140

BOLT

Field_2: 26200467-

2шт.

3

6732-71-3611

BRAKCET

Field_2: 26200467-

1шт.

4

6732-61-3140

BOLT

Field_2: 26200467-

1шт.

5

01435-01014

BOLT

Field_2: 26200467-

2шт.

6

6735-71-3120

STUD

Field_2: 26200467-

4шт.

7

6736-81-6170

NUT

Field_2: 26200467-

4шт.

8

6732-71-3111

GEAR

Field_2: 26200467-

1шт.

9

6130-32-1361

WASHER

Field_2: 26200467-

1шт.

10

01582-01411

NUT

Field_2: 26200467-

1шт.

Выбрано товаров: 10