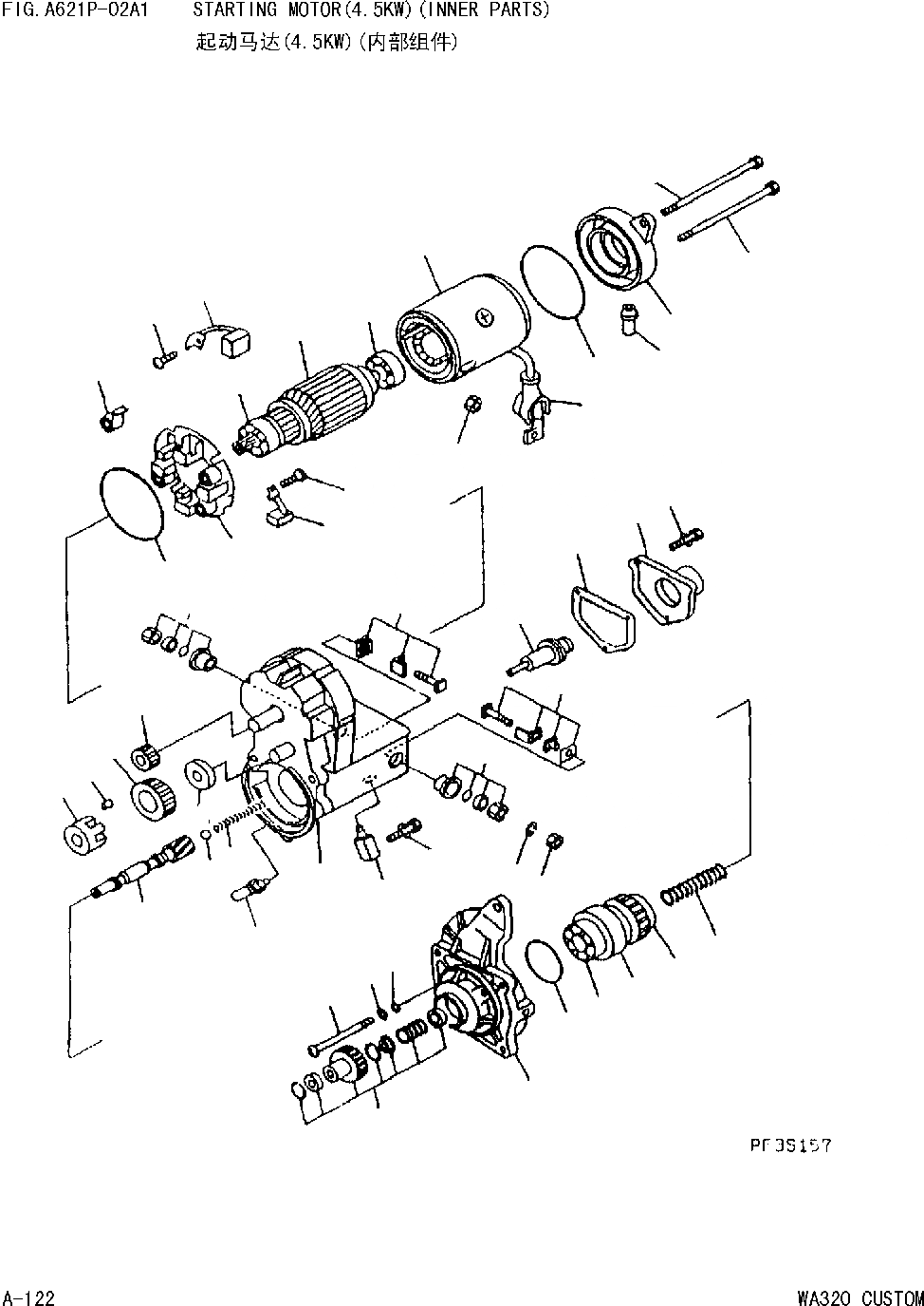
Запчасти Komatsu WA320 AVANCE CUSTOM СТАРТЕР(.KW)(ВНУТР. ЧАСТИ) [ДВИГАТЕЛЬ SADE-B ДВИГАТЕЛЬ NO.7 И UP ]

Схема запчастей Komatsu WA320 AVANCE CUSTOM - СТАРТЕР(.KW)(ВНУТР. ЧАСТИ) [ДВИГАТЕЛЬ SADE-B ДВИГАТЕЛЬ NO.7 И UP ]
19
17
16
15
13
14
13
36
44
42
18
12
20
25
40
39
34
29
37
43
23
30
32
1
4
2
3
41
39
22
37
21
14
38
26
27
28
35
10
24
5
11
31
46
33
45
7
6
8
9
FIT
1:1
100%

Артикул

Название

Примечание

Количество

|$1

600-863-5110

STARTING MOTOR ASS'Y

Field_2: 26201318-

1шт.

|$1

-1шт.

|$3

THE DENSO PART NUMBER IS THAT ND IS REMOVED FROM KOMATSU PART NUMBER LISTED BELOW

-1шт.

|$1

-1шт.

1

ND028100-5410

YOKE ASS'Y

Field_2: 26201318-

1шт.

2

ND028200-5250

ARMATURE ASS'Y

Field_2: 26201318-

1шт.

3

ND949100-3161

BEARING BALL

Field_2: 26201318-

1шт.

|$8

ND949100-5290

BEARING BALL

Field_2: 26201318-

1шт.

4

ND949100-3540

BEARING BALL

Field_2: 26201318-

1шт.

|$10

ND028300-6551

CLUTCH ASS'Y

Field_2: 26201318-

1шт.

5

ND028099-3270

START KIT

Field_2: 26201318-

1шт.

6

ND028300-6751

CLUTCH ASS'Y

Field_2: 26201318-

1шт.

7

ND949100-4500

BEARING BALL FRONT

Field_2: 26201318-

1шт.

8

ND949100-1920

BEARING BALL REAR

Field_2: 26201318-

1шт.

9

ND949170-4040

SPRING

Field_2: 26201318-

1шт.

10

ND028381-0071

SHAFT

Field_2: 26201318-

1шт.

11

ND128401-5621

HOUSING

Field_2: 26201318-

1шт.

12

ND153400-2600

SWITCH ASS'Y MAGNETIC

Field_2: 26201318-

1шт.

13

ND028099-5090

KIT START

Field_2: 26201318-

1шт.

14

ND028099-5100

KIT START

Field_2: 26201318-

1шт.

15

ND053660-0443

PLUNGER

Field_2: 26201318-

1шт.

16

ND053404-0240

GASKET

Field_2: 26201318-

1шт.

17

ND053505-0290

COVER SOLENOID

Field_2: 26201318-

1шт.

18

ND053480-7560

BOLT ASS'Y TERMINAL

Field_2: 26201318-

1шт.

19

ND949047-4440

BOLT

Field_2: 26201318-

3шт.

20

ND028065-0250

BUSHING DRATI

Field_2: 26201318-

1шт.

21

ND028510-0880

HOLDER ASS'Y BRVSH

Field_2: 26201318-

1шт.

22

ND028520-0011

SPRING BRVSH

Field_2: 26201318-

4шт.

23

ND028501-7711

FLAME

Field_2: 26201318-

1шт.

24

ND949120-0240

BALL STEET

Field_2: 26201318-

1шт.

25

ND949170-4070

SPRING

Field_2: 26201318-

1шт.

26

ND028371-3210

PINION STARTER

Field_2: 26201318-

1шт.

27

ND028306-0070

ROLLER CLUTCH

Field_2: 26201318-

5шт.

28

ND028063-0030

RETAINER

Field_2: 26201318-

1шт.

29

ND028062-0130

CAP

Field_2: 26201318-

1шт.

30

ND949042-3680

BOLT

Field_2: 26201318-

1шт.

31

ND90801-10050

O-RING

Field_2: 26201318-

3шт.

32

ND949042-3690

BOLT

Field_2: 26201318-

1шт.

33

ND949006-4720

SCREW

Field_2: 26201318-

3шт.

34

ND949056-4480

NUT

Field_2: 26201318-

1шт.

35

ND028327-0171

RETAINER SNAO

Field_2: 26201318-

1шт.

36

ND90258-10001

WASHER SPRING

Field_2: 26201318-

1шт.

37

ND028901-0361

SEAL

Field_2: 26201318-

2шт.

38

ND028371-3200

PINION

Field_2: 26201318-

1шт.

39

ND949007-6530

SCREW

Field_2: 26201318-

4шт.

40

ND028530-1090

BUSH ASS'Y

Field_2: 26201318-

2шт.

41

ND028530-1100

BUSH ASS'Y

Field_2: 26201318-

2шт.

42

ND949007-6850

SCREW

Field_2: 26201318-

1шт.

43

ND028062-5790

COVER

Field_2: 26201318-

1шт.

44

ND090170-10061

NUT

Field_2: 26201318-

1шт.

45

ND90801-20470

O-RING

Field_2: 26201318-

1шт.

46

ND90200-06241

WASHER

Field_2: 26201318-

3шт.

Выбрано товаров: 52