Запчасти Komatsu WA320 AVANCE CUSTOM ТРАНСМИССИЯ ТРАНСМИССИЯ И Э/ПРОВОДКА) [ТРАНСМИССИЯ]

Схема запчастей Komatsu WA320 AVANCE CUSTOM - ТРАНСМИССИЯ ТРАНСМИССИЯ И Э/ПРОВОДКА) [ТРАНСМИССИЯ]
5
6
7
3
4
4
2
3
1
FIT
1:1
100%

Артикул

Название

Примечание

Количество

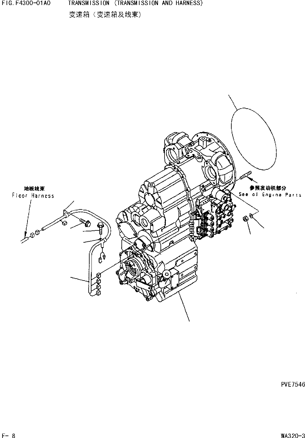
1

714-16-Y0001

TRANSMISSION ASS'Y

Field_2: 20031-

1шт.

|$2

714-16-Y0000

TRANSMISSION ASS'Y

Field_2: 20001-20030

1шт.

2

419-06-22661

WIRING HARNESS

Field_2: 20031-

1шт.

3

04434-51410

CLIP

Field_2: 20031-

2шт.

4

01435-01016

BOLT

Field_2: 20031-

2шт.

5

01582-01008

NUT

Field_2: 20031-

12шт.

6

01643-31032

WASHER

Field_2: 20031-

12шт.

7

424-13-11110

O-RING

Field_2: 20031-

1шт.

Выбрано товаров: 8