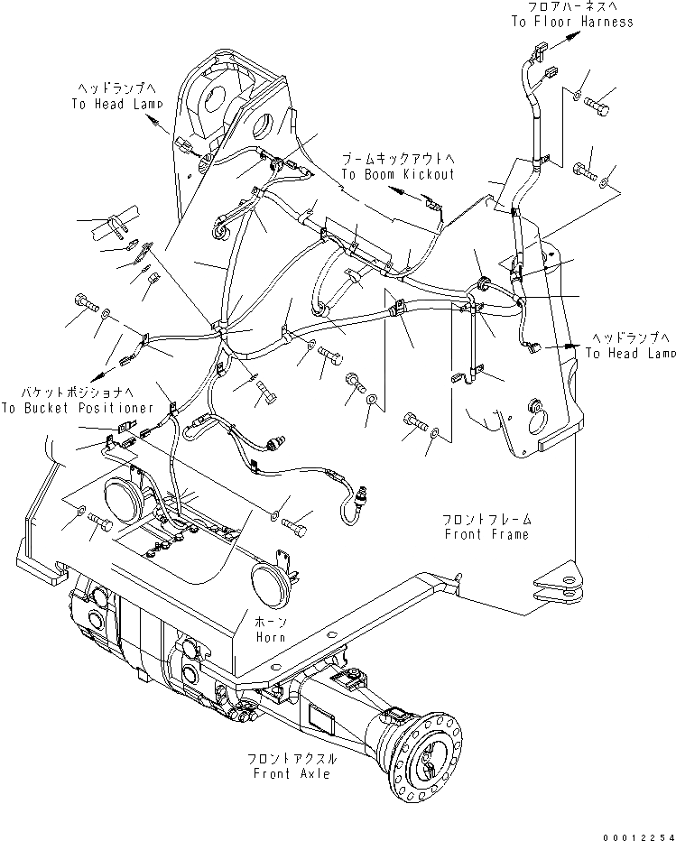
Запчасти Komatsu WA320L-5 ПЕРЕДН. Э/ПРОВОДКА (ДЛЯ ПОГРУЗ. METER И E.C.S.S.) ЭЛЕКТРИКА

Схема запчастей Komatsu WA320L-5 - ПЕРЕДН. Э/ПРОВОДКА (ДЛЯ ПОГРУЗ. METER И E.C.S.S.) ЭЛЕКТРИКА
1
2
2
3
3
3
3
3
4
5
5
6
6
6
6
6
6
6
6
6
6
7
7
7
7
7
7
8
8
8
8
8
8
9
10
11
12
13
14
14
14
15
15
15
16
17
FIT
1:1
100%

Артикул

Название

Примечание

Количество

1

419-06-32444

WIRING HARNESS

SN: 60589-UP

1шт.

1

419-06-32443

WIRING HARNESS

SN: 60001-60588

1шт.

2

418-06-12430

GROMMET

SN: 60001-UP

2шт.

3

04434-51712

CLIP

SN: 60001-UP

5шт.

4

04434-51912

CLIP

SN: 60001-UP

2шт.

5

04434-52512

CLIP

SN: 60001-UP

2шт.

6

04434-51012

CLIP

SN: 60001-UP

12шт.

7

01010-81020

BOLT

SN: 60001-UP

21шт.

8

01643-31032

WASHER

SN: 60001-UP

21шт.

9

423-06-32280

BRACKET

SN: 60001-UP

1шт.

10

07283-33450

CLIP

SN: 60001-UP

1шт.

11

07283-53444

SEAT

SN: 60001-UP

1шт.

12

01643-31032

WASHER

SN: 60001-UP

2шт.

13

01597-01009

NUT

SN: 60001-UP

2шт.

14

01010-81016

BOLT

SN: 60001-UP

3шт.

15

01643-31032

WASHER

SN: 60001-UP

3шт.

16

08193-21012

CLIP

SN: 60001-UP

1шт.

17

426-09-11210

GROMMET

SN: 60001-UP

1шт.

Выбрано товаров: 18