Запчасти Komatsu WA320L-5 МОТОР (/7) (С ORIFICE) ОСНОВН. КОМПОНЕНТЫ И РЕМКОМПЛЕКТЫ

Схема запчастей Komatsu WA320L-5 - МОТОР (/7) (С ORIFICE) ОСНОВН. КОМПОНЕНТЫ И РЕМКОМПЛЕКТЫ
1
2
3
FIT
1:1
100%

Артикул

Название

Примечание

Количество

|$1

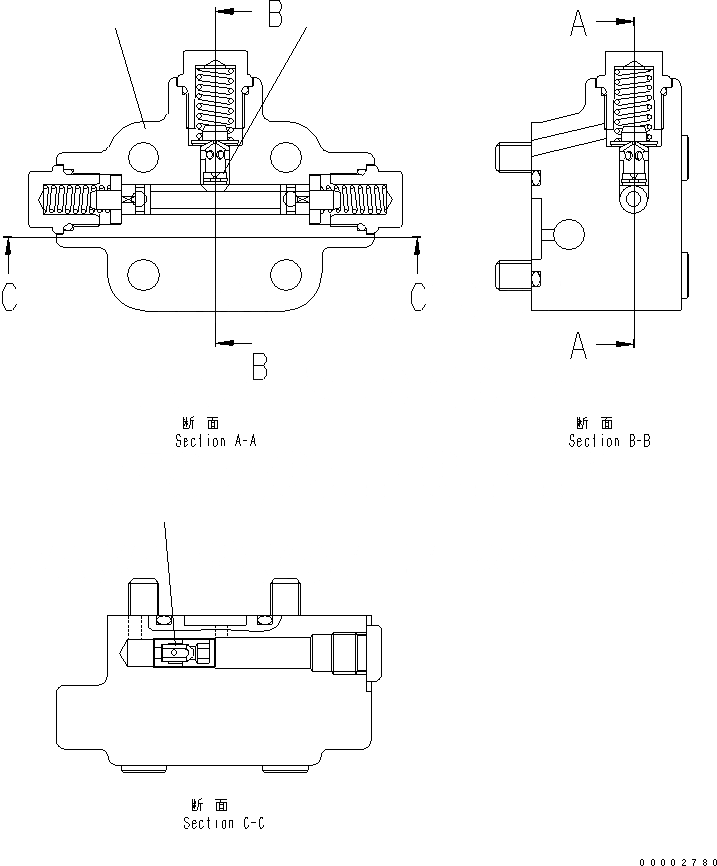
419-18-31301

MOTOR

SN: 60001-UP

1шт.

|$$2

THIS ASSEMBLY CONSISTS OF ALL PARTS SHOWN IN FIGS.Y1651-01A1 TO Y1651-07A1.

-1шт.

|$$3

THE UCHIDA YUATSU KIKI PART NUMBER IS THAT UC IS REMOVED FROM KOMATSU PART NUMBER LISTED BELOW.

-1шт.

|$4

UC4096037634

FLUSHING VALVE

SN: 60001-UP

1шт.

1

UC4020028468

FLUSHING VALVE

SN: 60001-UP

1шт.

2

UC4704466252

ORIFICE

SN: 60001-UP

1шт.

3

UC4704475917

ORIFICE

SN: 60001-UP

1шт.

Выбрано товаров: 7