Запчасти Komatsu WA320PT-5L HST МАСЛ. ЛИНИЯ (НАГНЕТАЮЩ. ЛИНИЯ ДЛЯ ВСПОМОГ. РУЛЕВ. УПРАВЛЕНИЕ) ТРАНСМИССИЯ

Схема запчастей Komatsu WA320PT-5L - HST МАСЛ. ЛИНИЯ (НАГНЕТАЮЩ. ЛИНИЯ ДЛЯ ВСПОМОГ. РУЛЕВ. УПРАВЛЕНИЕ) ТРАНСМИССИЯ
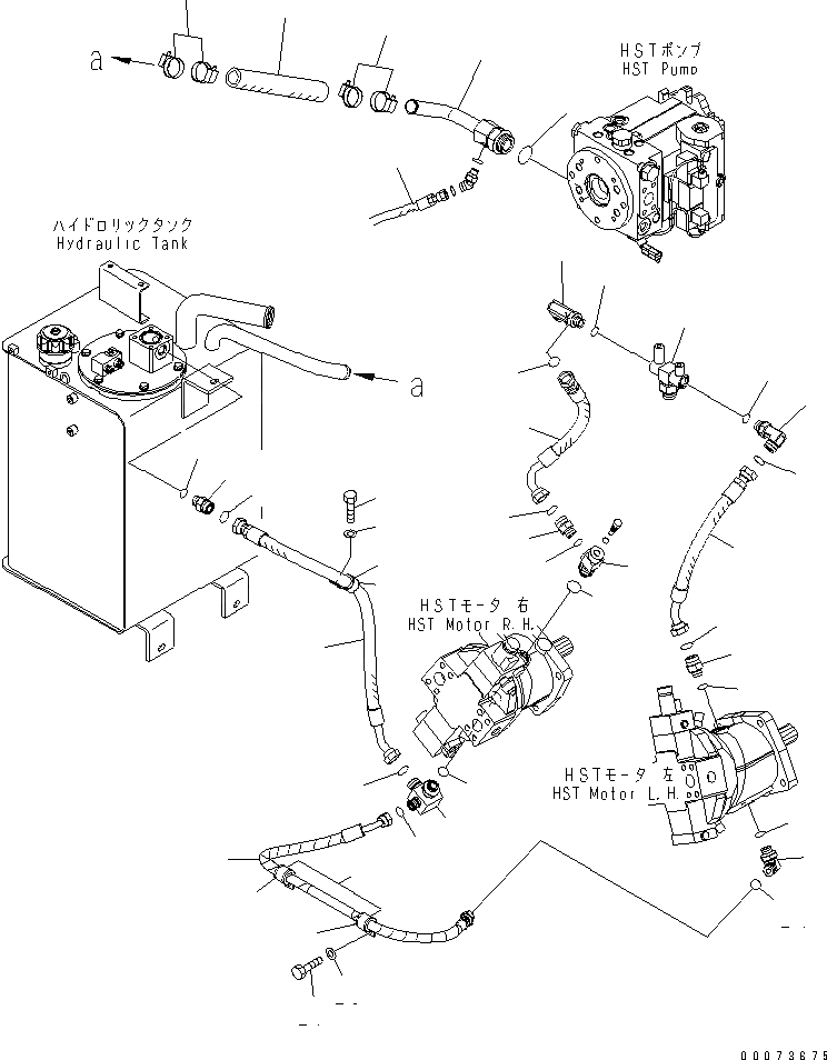
1
2
2
3
4
5
6
7
7
8
9
10
11
12
13
14
14
14
15
16
17
18
19
20
20
21
22
23
24
24
25
26
26
27
28
29
30
31
32
33
34
35
36
37
FIT
1:1
100%

Артикул

Название

Примечание

Количество

1

07260-03236

HOSE

SN: A39001-UP

1шт.

2

07289-00045

CLAMP

SN: A39001-UP

4шт.

3

419-18-31292

ELBOW

SN: A39001-UP

1шт.

4

07000-13044

O-RING

SN: A39001-UP

1шт.

5

02782-10630

ELBOW

SN: A39001-UP

1шт.

6

02782-1062A

ELBOW

SN: A39001-UP

1шт.

7

07002-12434

O-RING

SN: A39001-UP

2шт.

8

418-18-32350

ELBOW

SN: A39001-UP

1шт.

9

419-18-31282

ELBOW

SN: A39001-UP

1шт.

10

02781-00628

UNION

SN: A39001-UP

1шт.

11

07002-62434

O-RING

SN: A39001-UP

1шт.

12

07000-13024

O-RING

SN: A39001-UP

1шт.

13

07000-B3024

O-RING

SN: A39001-UP

1шт.

14

02896-11018

O-RING

SN: A39001-UP

3шт.

15

02896-61018

O-RING

SN: A39001-UP

1шт.

16

419-18-32164

HOSE, 520MM

SN: A39001-UP

1шт.

17

419-18-32262

HOSE, 430MM

SN: A39001-UP

1шт.

18

56B-43-17360

ELBOW

SN: A39001-UP

1шт.

19

419-18-31252

TEE

SN: A39001-UP

1шт.

20

07000-13024

O-RING

SN: A39001-UP

2шт.

21

419-18-32172

HOSE, 1220MM

SN: A39001-UP

1шт.

22

419-18-32182

HOSE, 950MM

SN: A39001-UP

1шт.

23

02896-11018

O-RING

SN: A39001-UP

1шт.

24

02896-11015

O-RING

SN: A39001-UP

2шт.

25

04434-53211

CLIP

SN: A39001-UP

2шт.

26

07095-20523

CUSHION

SN: A39001-UP

2шт.

27

01010-81020

BOLT

SN: A39001-UP

2шт.

28

01643-31032

WASHER

SN: A39001-UP

2шт.

29

04434-53412

CLIP

SN: A39001-UP

1шт.

30

07095-20627

CUSHION

SN: A39001-UP

1шт.

31

01010-81025

BOLT

SN: A39001-UP

1шт.

32

01643-31032

WASHER

SN: A39001-UP

1шт.

33

02781-00628

UNION

SN: A39001-UP

1шт.

34

07002-12434

O-RING

SN: A39001-UP

1шт.

35

02896-11018

O-RING

SN: A39001-UP

1шт.

36

HOSE, 780MM,(SEE FIG. H4420-01A0)

SN: A39001-UP

-1шт.

37

TEE,(SEE FIG. H0210-01A0)

SN: A39001-UP

-1шт.

Выбрано товаров: 37